DIN 601 M5 to M52 Hexagon Head Bolts
Product: DIN 601 M5 to M52 Hexagon Head Bolts
Property Class:4.6,4.8,5.6,5.8,8.8,10.9,12.9,
A2-70, A4-70,A4-80
Finish:Zinc Plating(Yellow Zinc, Zinc Blue, Rinse Color), Black, Phosphate & Oil, Zinc Phosphate, Hot-dip Galvanized(HDG),Dacromet, Geomet
Material:Steel,Stainless
Export country: USA, Japan, Australia, Europe and so on
Support customer customization
DIN 601M5 to M52 hexagon head bolts are a series of bolts with different specifications and sizes. These bolts range in size from M5 to M52, including M6, M8, M10, M12, M16, M20, M30 (M33 is a non-preferred size), etc. These dimensions are in millimeters. In addition to the basic specifications and dimensions, DIN 601M5 to M52 hexagon head bolts also have other parameters and characteristics, such as thread diameter, force cross-sectional area, etc. The specific values of these parameters will be based on the specific specifications and characteristics of DIN 601M5 to M52 hexagon head bolts. Varies depending on the material. DIN 601M5 to M52 hexagon head bolts are available in a wide range of sizes and materials for use in a variety of different industries and applications.
Pictures



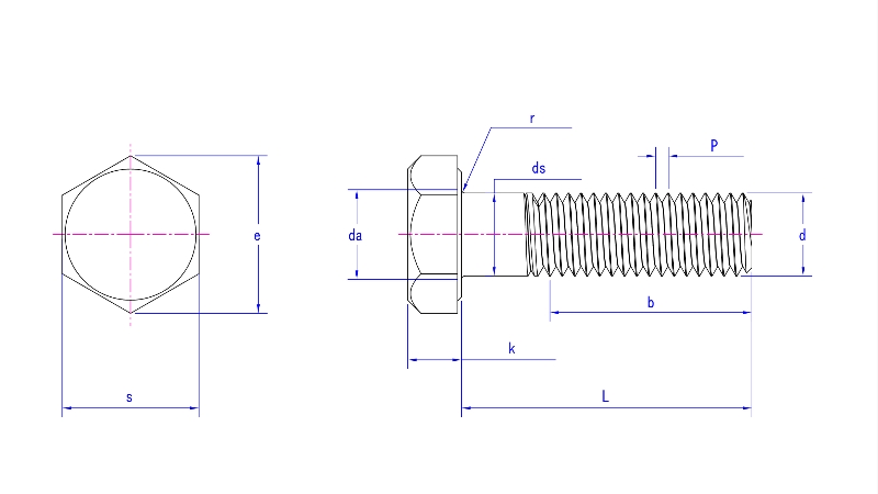
Product drawing
Product Specification
Size | M5 | M6 | M8 | M10 | M12 | M16 | M20 | M24 | M27 | M30 | M33 | M36 | M39 | M42 | M45 | M48 | M52 | |
P | 0.8 | 1.0 | 1.25 | 1.5 | 1.75 | 2.0 | 2.5 | 3.0 | 3.0 | 3.5 | 3.5 | 4.0 | 4.0 | 4.5 | 4.5 | 5.0 | 5.0 | |
da max | 6.0 | 7.2 | 10.2 | 12.2 | 14.7 | 18.7 | 24.4 | 28.4 | 32.4 | 35.4 | 38.4 | 42.4 | 45.4 | 48.6 | 52.6 | 56.6 | 62.6 | |
ds | min | 4.52 | 5.52 | 7.42 | 9.42 | 11.3 | 15.3 | 19.16 | 23.16 | 26.16 | 29.16 | 32.0 | 35.0 | 38.0 | 41.0 | 44.0 | 47.0 | 51.0 |
max | 5.48 | 6.48 | 8.58 | 10.58 | 12.7 | 16.7 | 20.84 | 24.84 | 27.84 | 30.84 | 34.0 | 37.0 | 40.0 | 43.0 | 46.0 | 49.0 | 53.0 | |
e min | 8.63 | 10.89 | 14.2 | 18.72 | 20.88 | 26.17 | 32.95 | 39.55 | 45.2 | 50.85 | 55.37 | 60.79 | 66.44 | 71.3 | 76.95 | 82.6 | 88.25 | |
k | min | 3.120 | 3.62 | 4.920 | 5.95 | 7.05 | 9.25 | 11.6 | 14.1 | 16.1 | 17.65 | 19.95 | 21.45 | 23.95 | 24.95 | 26.95 | 28.95 | 31.75 |
max | 3.88 | 4.38 | 5.68 | 6.85 | 7.95 | 10.75 | 13.4 | 15.9 | 17.9 | 19.75 | 22.05 | 23.55 | 26.05 | 27.05 | 29.05 | 31.05 | 34.25 | |
r min | 0.2 | 0.25 | 0.4 | 0.4 | 0.6 | 0.6 | 0.8 | 0.8 | 1.0 | 1.0 | 1.0 | 1.0 | 1.0 | 1.2 | 1.2 | 1.6 | 1.6 | |
s | max | 8.0 | 10.0 | 13.0 | 17.0 | 19.0 | 24.0 | 30.0 | 36.0 | 41.0 | 46.0 | 50.0 | 55.0 | 60.0 | 65.0 | 70.0 | 75.0 | 80.0 |
min | 7.64 | 9.64 | 12.57 | 16.57 | 18.48 | 23.16 | 29.16 | 35.0 | 40.0 | 45.0 | 49.0 | 53.8 | 58.8 | 63.1 | 68.1 | 73.1 | 78.1 | |
Support customer customization | ||||||||||||||||||
Some introduction about our company
Application
Our products are widely used in mechanical, electrical, automotive, building construction, railways, bridges, steamships, fire protection and communication system, etc.
Workshop
Certification
Through scientific management, Jinan Star Fastener Co., Ltd. has obtained the 2015 version of ISO9001 quality management system certification. In 2017, the laboratory passed the national CNAS certification. In 2018, the company passed the European CE certification.
Testing Equipment
Our company has a specialized laboratory with digital hardness testers, microscopes, universal testing machines, axial force meters, hydrogen embrittlement detection devices, magnetic particle flaw detectors, metallographic analyzers, carbon and sulfur analyzers and salt spray testing machines, etc. Experimental testing equipment is used to conduct comprehensive testing of the chemical composition of raw materials, product hardness, mechanical properties, coating thickness and corrosion resistance to ensure that all products meet standard requirements and satisfy customers.
Production equipment
Our company has more than 300 production equipment.The product production process includes: Annealing, shot blasting, cold heading, thread rolling, heat treatment, galvanizing, finished product testing, packaging, etc. are all completed in the company.
Packing
FAQ
1. Do your hex head bolt products really comply with DIN 601 standards?
Our products are produced in strict accordance with DIN 601 standards, which is the unified European standard for hexagon head bolts, ensuring product quality and reliability.
2.What is the DIN 601 standard and why was this standard chosen?
The DIN 601 standard is widely accepted because it specifies key parameters such as dimensions, tolerances, materials, and strength levels of DIN 601 hexagon head bolts, ensuring the performance and safety of the bolts in different application scenarios.
3. How do you ensure the quality of DIN 601 hexagon head bolt products?
We use advanced production equipment and technology to ensure that every production link meets quality standards. In addition, we conduct strict inspection and testing of finished products to ensure that they comply with DIN 601 standards.
4.What quantity of DIN 601 hexagon head bolts can you provide?
We have strong production capabilities and can provide bolts in large or small quantities according to customer needs. At the same time, we can also customize products according to customers' special requirements.
5. How about the after-sales service?
We provide comprehensive after-sales services, including returns and exchanges for product quality issues, technical consultation and training, etc.
What payment methods are accepted?
We accept multiple payment methods, including wire transfer, letter of credit, etc. The specific payment method can be determined through negotiation between both parties.










