ASME/ANSI B18.2.3.5M Hexagon Head Bolts
Product: ASME/ANSI B18.2.3.5M Hexagon Head Bolts
Property Class:4.6,4.8,5.6,5.8,8.8,10.9,12.9,
A2-70, A4-70,A4-80
Finish:Zinc Plating(Yellow Zinc, Zinc Blue, Rinse Color), Black, Phosphate & Oil, Zinc Phosphate, Hot-dip Galvanized(HDG),Dacromet, Geomet
Material:Steel,Stainless
Export country: USA, Japan, Australia, Europe and so on
Support customer customization
ASME/ANSI B18.2.3.5M Hexagon Head Bolts
Overview
The ASME/ANSI B18.2.3.5M Hexagon Head Bolts are precision-engineered fasteners that conform to the American National Standards Institute’s metric specifications for hex head bolts. Designed for high-performance mechanical connections, the ASME/ANSI B18.2.3.5M Hexagon Head Bolts are widely used in structural, automotive, aerospace, and industrial machinery applications where precision, strength, and international compatibility are critical. These bolts are renowned for their superior clamping force, durability, and standardized head dimensions.
Pictures



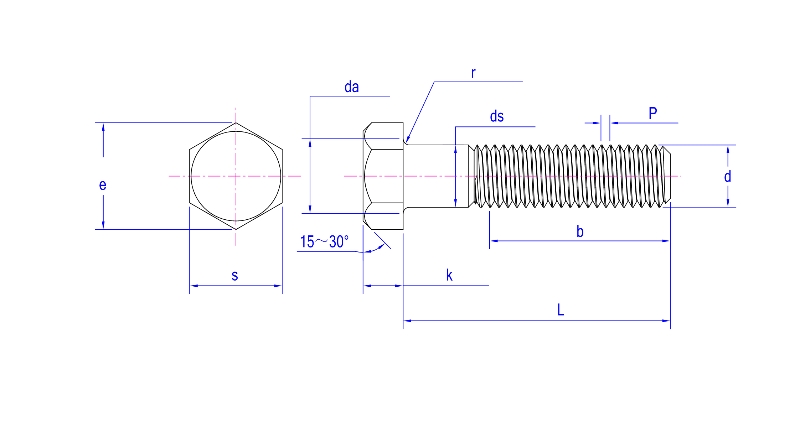
Product drawing
Product Specification
Size | M5 | M6 | M8 | M10 | M12 | M14 | M16 | M20 | M24 | M30 | M36 | M42 | M48 | M56 | M64 | M72 | M80 | M90 | M100 | |
P | 0.8 | 1.0 | 1.25 | 1.5 | 1.75 | 2.0 | 2.0 | 2.5 | 3.0 | 3.5 | 4.0 | 4.5 | 5.0 | 5.5 | 6.0 | 6.0 | 6.0 | 6.0 | 6.0 | |
ds | max | 5.48 | 6.19 | 8.58 | 10.58 | 12.7 | 14.7 | 16.7 | 20.84 | 24.84 | 30.84 | 37.0 | 43.0 | 49.0 | 57.2 | 65.52 | 73.84 | 82.16 | 92.48 | 102.8 |
min | 4.52 | 5.52 | 7.42 | 9.42 | 11.3 | 13.3 | 15.3 | 19.16 | 23.16 | 29.16 | 35.0 | 41.0 | 47.0 | 54.8 | 62.8 | 70.8 | 78.8 | 88.6 | 98.6 | |
s | max | 8.0 | 10.0 | 13.0 | 16.0 | 18.0 | 21.0 | 24.0 | 30.0 | 36.0 | 46.0 | 55.0 | 65.0 | 75.0 | 85.0 | 95.0 | 105.0 | 115.0 | 130.0 | 145.0 |
min | 7.64 | 9.64 | 12.57 | 15.57 | 17.57 | 20.16 | 23.16 | 29.16 | 35.0 | 45.0 | 53.8 | 62.9 | 72.6 | 82.2 | 91.8 | 101.4 | 111.0 | 125.5 | 140.0 | |
e | max | 9.24 | 11.55 | 15.01 | 18.48 | 20.78 | 24.25 | 27.71 | 36.64 | 41.57 | 53.12 | 63.51 | 75.06 | 86.6 | 98.15 | 109.7 | 121.24 | 132.79 | 150.11 | 167.43 |
min | 8.63 | 10.89 | 14.2 | 17.59 | 19.85 | 22.78 | 26.17 | 32.95 | 39.55 | 50.55 | 60.79 | 71.71 | 82.76 | 93.71 | 104.65 | 115.6 | 126.54 | 143.07 | 159.6 | |
k | max | 3.88 | 4.38 | 5.68 | 6.85 | 7.95 | 9.25 | 10.75 | 13.4 | 15.9 | 19.75 | 23.55 | 27.05 | 31.07 | 36.2 | 41.32 | 46.45 | 51.58 | 57.74 | 63.9 |
min | 3.35 | 3.85 | 5.1 | 6.17 | 7.24 | 8.51 | 9.68 | 12.12 | 14.56 | 17.92 | 21.62 | 25.03 | 28.93 | 33.8 | 38.68 | 43.55 | 48.42 | 54.26 | 60.1 | |
da max | 5.7 | 6.8 | 9.2 | 11.2 | 13.7 | 15.7 | 17.7 | 22.4 | 26.4 | 33.4 | 39.4 | 45.4 | 52.0 | 62.0 | 70.0 | 78.0 | 86.0 | 96.0 | 107.0 | |
r min | 0.2 | 0.3 | 0.4 | 0.4 | 0.6 | 0.6 | 0.6 | 0.8 | 0.8 | 1.0 | 1.0 | 1.2 | 1.5 | 2.0 | 2.0 | 2.0 | 2.0 | 2.0 | 2.5 | |
Support customer customization | ||||||||||||||||||||
Key Features of ASME/ANSI B18.2.3.5M Hexagon Head Bolts
Metric Standard Precision
The ASME/ANSI B18.2.3.5M Hexagon Head Bolts are manufactured to metric specifications, ensuring full compatibility with global components and systems that require international standardization.Hexagonal Head Design
The six-sided head enables excellent tool engagement and torque transfer, making the ASME/ANSI B18.2.3.5M Hexagon Head Bolts easy to install or remove using standard wrenches or socket tools.High Tensile Strength
Made from carbon steel, alloy steel, or stainless steel, the ASME/ANSI B18.2.3.5M Hexagon Head Bolts offer strong tensile and shear performance for demanding load-bearing applications.Thread Types and Fit
These bolts typically feature coarse or fine threads per ISO metric thread specifications, ensuring smooth, secure engagement with compatible nuts and components.Corrosion-Resistant Finishes
The ASME/ANSI B18.2.3.5M Hexagon Head Bolts are available with various surface treatments including black oxide, zinc plating, hot-dip galvanizing, and plain finishes for optimal corrosion protection.
Applications of ASME/ANSI B18.2.3.5M Hexagon Head Bolts
Construction and Infrastructure
These bolts are essential in steel structures, bridge frameworks, and load-bearing systems due to their strength and international standard compliance.Automotive and Transport
The ASME/ANSI B18.2.3.5M Hexagon Head Bolts are commonly used in chassis assembly, suspension systems, engine blocks, and safety components.Heavy Machinery and Equipment
Their strength and durability make them ideal for mounting heavy motors, gear systems, hydraulic presses, and CNC machines.Aerospace Components
Precision and reliability are vital in aerospace, and these bolts meet stringent tolerance requirements needed for flight systems and ground equipment.OEM and Industrial Assembly
Widely used by original equipment manufacturers (OEMs), the ASME/ANSI B18.2.3.5M Hexagon Head Bolts serve as a universal fastener choice across different product lines.
Advantages of ASME/ANSI B18.2.3.5M Hexagon Head Bolts
✅ Standardized Dimensions
Conformity to ASME/ANSI B18.2.3.5M ensures interoperability, quality assurance, and simplified inventory management across industries.✅ Excellent Mechanical Properties
High load-bearing capacity and fatigue resistance make these bolts suitable for dynamic and static applications alike.✅ Versatile Sizes
Available in a range of diameters (typically M5 to M36) and lengths to suit varying mechanical requirements.✅ Enhanced Corrosion Resistance
With multiple finishing options, these bolts offer long service life in outdoor, marine, or chemically exposed environments.✅ Easy Handling and Maintenance
The hex head design ensures compatibility with both manual and powered installation tools, streamlining assembly and servicing.


