ASME B18.5.2.2M Metric Round Head Square Neck Bolts
Product: ASME B18.5.2.2M Metric Round Head Square Neck Bolts
Property Class:4.6,4.8,5.6,5.8,8.8,10.9,12.9,A2-70, A4-70,A4-80
Finish:Zinc Plating(Yellow Zinc, Zinc Blue, Rinse Color), Black, Phosphate & Oil, Zinc Phosphate, Hot-dip Galvanized(HDG),Dacromet, Geomet
Material:Steel
Export country: USA, Japan, Australia, Europe and so on
Support customer customization
Carriage bolts are divided into large semi-round head carriage bolts and small semi-round head carriage bolts according to the head size.
Pictures
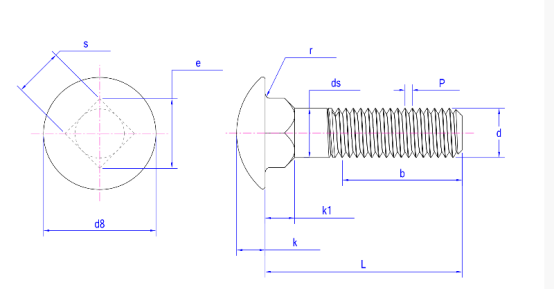
Product drawing
Product Specification
Size | M5 | M6 | M8 | M10 | M12 | M14 | M16 | M20 | M24 | |
P | 0.8 | 1 | 1.25 | 1.5 | 1.75 | 2 | 2 | 2.5 | 3 | |
ds | max | 5.48 | 6.48 | 8.58 | 10.58 | 12.7 | 14.7 | 16.7 | 20.84 | 24.84 |
min | 4.52 | 5.52 | 7.42 | 9.42 | 11.3 | 13.3 | 15.3 | 19.16 | 23.16 | |
k | max | 3.1 | 3.6 | 4.8 | 5.8 | 6.8 | 7.9 | 8.9 | 10.9 | 13.1 |
min | 2.5 | 3 | 4 | 5 | 6 | 7 | 8 | 10 | 12 | |
dk(max) | 11.8 | 14.2 | 18 | 22.3 | 26.6 | 30.5 | 35 | 43 | 51 | |
k1 | max | 3.1 | 3.6 | 4.8 | 5.8 | 6.8 | 7.9 | 8.9 | 10.9 | 13.1 |
min | 2.5 | 3 | 4 | 5 | 6 | 7 | 8 | 10 | 12 | |
s | max | 5.48 | 6.48 | 8.58 | 10.58 | 12.7 | 14.7 | 16.7 | 20.84 | 24.84 |
min | 4.88 | 5.88 | 7.85 | 9.85 | 11.82 | 13.82 | 15.82 | 19.79 | 23.79 | |
e | max | 7.75 | 9.16 | 12.13 | 14.96 | 17.96 | 20.79 | 23.62 | 29.47 | 35.13 |
min | 6.34 | 7.64 | 10.2 | 12.8 | 15.37 | 17.97 | 20.57 | 25.73 | 30.93 | |
r | max | 0.4 | 0.5 | 0.8 | 0.8 | 0.8 | 1.2 | 1.2 | 1.6 | 1.6 |
min | 0.2 | 0.2 | 0.4 | 0.4 | 0.4 | 0.6 | 0.6 | 0.8 | 0.8 | |
Support customer customization | ||||||||||
Some introduction about our company
Application
Our products are widely used in mechanical, electrical, automotive, building construction, railways, bridges, steamships, fire protection and communication system, etc.
Workshop
Certification
Through scientific management, Jinan Star Fastener Co., Ltd. has obtained the 2015 version of ISO9001 quality management system certification. In 2017, the laboratory passed the national CNAS certification. In 2018, the company passed the European CE certification.
Testing Equipment
Our organization has a specialised laboratory with digital hardness testers, microscopes, conventional checking out machines, axial pressure meters, hydrogen embrittlement detection devices, magnetic particle flaw detectors, metallographic analyzers, carbon and sulfur analyzers and salt spray trying out machines, etc. Experimental trying out tools is used to behavior complete trying out of the chemical composition of uncooked materials, product hardness, mechanical properties, coating thickness and corrosion resistance to make certain that all merchandise meet widespread necessities and fulfill customers.
Production equipment
Our company has more than 300 production equipment.The product production process includes: Annealing, shot blasting, cold heading, thread rolling, heat treatment, galvanizing, finished product testing, packaging, etc. are all completed in the company.
Packing
Our service:
1. Professional manufacturer: All our fasteners are designed and manufactured according to buyers' specifications and performance.
2. Quality guaranteed: durability testing and key technology design to improve the service life of fasteners.
3. Cost-effectiveness: Wide selection of parts, supplied by professional factories, and competitive prices.
4. Customize ideal fasteners: Customize services based on the samples and drawings provided.
5. Perfect fastening solutions with 60 years of experience to solve your problems: wide selection of parts.
FAQ
1.About delivery time
Question: How long is your delivery time?
Answer: The delivery time depends on the number of products you order, the complexity of the customization requirements and the current order situation. Generally speaking, we will try to complete production and delivery within the time agreed by both parties. If there are special needs, we will negotiate with you and try our best to meet them.
2.About price issues
Question: What is the price of your products?
Answer: The price of our products is determined based on factors such as product materials, processes, quantities and market conditions. We will provide you with a reasonable quotation based on your specific needs. At the same time, we also provide a variety of preferential policies and flexible payment methods to meet your different needs.













