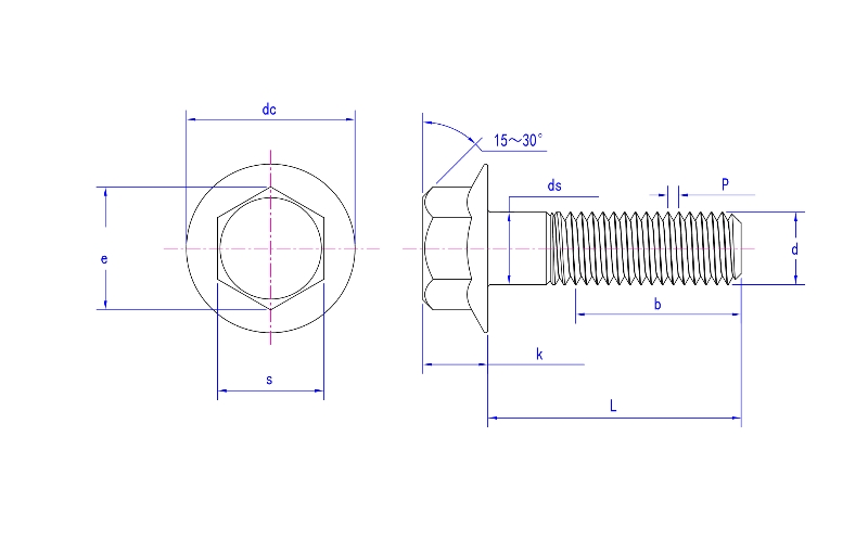
Hex Head Flange Bolts
1.ASME B18.2.1-8 Hex Head Flange Bolts
2.Source bolt manufacturer, own factory: with price advantage, eliminating the price difference of middlemen.
3.Adopt the industry's top high-quality thickened steel, high stability and long-lasting durability.
4.Support customer customization.
5.Professional sales and after-sales service, welcome to inquire at any time.
6.Delivery on time.
Hex Head Flange Bolts: The Perfect Combination of Strength and Efficiency
When it comes to reliable fastening solutions, Hex Head Flange Bolts stand out as the ultimate choice. Known for their superior strength, enhanced load distribution, and ease of installation, Hex Head Flange Bolts are essential across industries like automotive, construction, heavy machinery, and manufacturing. In this comprehensive guide, we will explore why Hex Head Flange Bolts are an indispensable component for high-performance and durable assemblies.
What Are Hex Head Flange Bolts?
Hex Head Flange Bolts are bolts featuring a hexagonal-shaped head combined with a wide flange beneath it. The flange acts like a built-in washer, effectively distributing the load and reducing the chance of damage to the bolted materials. Hex Head Flange Bolts eliminate the need for separate washers, making assembly quicker and more cost-efficient. Available in a variety of materials, finishes, and strength grades, Hex Head Flange Bolts are a versatile fastening option.
Key Features of Hex Head Flange Bolts
Choosing Hex Head Flange Bolts for your projects offers multiple advantages:
Flange Design: Provides even load distribution to prevent material damage.
High Torque Capacity: Hex head allows application of higher tightening forces.
Corrosion Resistance: Stainless steel and zinc-coated options protect against rust.
Easy Installation: No need for additional washers speeds up assembly.
Durability: Built to withstand high-stress and vibration-heavy environments.
With these features, Hex Head Flange Bolts deliver exceptional performance across countless applications.
Advantages of Using Hex Head Flange Bolts
Using Hex Head Flange Bolts in your projects provides several key benefits:
Time and Cost Savings: Faster installation reduces labor costs and simplifies logistics.
Superior Vibration Resistance: Flange bolts maintain tightness even under intense vibration and movement.
Stronger Connections: The flange ensures a tighter, more durable bond between components.
Reduced Material Damage: Even stress distribution prevents cracking or deformation.
Versatility: Suitable for metals, plastics, and composite materials in various environments.
Hex Head Flange Bolts are engineered to deliver high reliability, no matter how demanding the conditions.
Common Applications of Hex Head Flange Bolts
Thanks to their robust design and performance, Hex Head Flange Bolts are widely used in:
Automotive Industry: Perfect for assembling engine components, chassis systems, and suspension parts.
Construction Projects: Used for securing steel structures, bridges, and infrastructure frameworks.
Heavy Machinery: Vital for fastening parts subjected to intense stress and vibration.
Agricultural Equipment: Ensures the durability of farm machinery exposed to harsh outdoor conditions.
Industrial Manufacturing: Critical in the assembly of conveyors, presses, and processing equipment.
Whatever the application, Hex Head Flange Bolts provide a dependable fastening solution you can trust.
How to Choose the Right Hex Head Flange Bolts
Selecting the right Hex Head Flange Bolts depends on:
Material Requirements: Choose stainless steel for corrosion resistance or alloy steel for high strength.
Bolt Grade: Higher grades (such as Grade 8 or 10.9) offer greater tensile strength.
Coating and Finish: Zinc plating or galvanizing adds extra protection in corrosive environments.
Thread Type: Coarse threads are better for rapid assembly; fine threads are ideal for precise applications.
Bolt Size: Ensure the bolt matches the material thickness and load demands.
Working with a trusted supplier will help ensure you get the best Hex Head Flange Bolts for your specific needs.
Why Choose Our Hex Head Flange Bolts?
At [Your Company Name], we supply premium Hex Head Flange Bolts that meet international standards:
Extensive Selection: A wide range of materials, sizes, and finishes.
Unmatched Quality: Every bolt undergoes rigorous testing to ensure durability.
Competitive Pricing: Get top-grade Hex Head Flange Bolts at industry-leading prices.
Expert Support: Our team is ready to help you choose the perfect bolts for your project.
Choose [Your Company Name] for dependable Hex Head Flange Bolts that perform flawlessly under pressure.
Conclusion
Hex Head Flange Bolts are the ideal fastening choice for projects that demand strength, efficiency, and durability. With their built-in load-distributing flange and hexagonal head design, Hex Head Flange Bolts simplify installation, enhance joint reliability, and withstand the toughest working conditions. Whether you are building a bridge, assembling an engine, or installing heavy equipment, trust Hex Head Flange Bolts to deliver superior performance and peace of mind.
Explore our full range of Hex Head Flange Bolts today and ensure your next project is built to last!



Product drawing


