Hex Bolt ANSI B18 2.3 5M
1.Hexagon Head Bolts ASME/ANSI B18.2.3.5M
2.Source bolt manufacturer, own factory: with price advantage, eliminating the price difference of middlemen.
3.Adopt the industry's top high-quality thickened steel, high stability and long-lasting durability.
4.Support customer customization.
5.Professional sales and after-sales service, welcome to inquire at any time.
6.Delivery on time.
Hex Bolt ANSI B18.2.3 5M – A High-Strength Fastening Solution
The Hex Bolt ANSI B18.2.3 5M is a widely used and trusted fastener, particularly in industries that require robust, reliable, and durable fastening solutions. Manufactured according to the ANSI (American National Standards Institute) B18.2.3 standard, this hex bolt is known for its exceptional strength, corrosion resistance, and versatility. Whether you're working on construction, machinery, automotive, or other heavy-duty applications, the Hex Bolt ANSI B18.2.3 5M is a must-have component for ensuring secure and long-lasting connections.
What is a Hex Bolt ANSI B18.2.3 5M?
The Hex Bolt ANSI B18.2.3 5M is a hexagonal-headed fastener with a threaded shaft. The “ANSI B18.2.3” refers to the specific American standard that defines the dimensions, material properties, and mechanical characteristics for this type of bolt. The "5M" designation indicates a specific material grade, with high tensile strength and reliability. This hex bolt is primarily used where high torque and secure fastening are essential.
Key Features of Hex Bolt ANSI B18.2.3 5M
High Strength and Durability
Manufactured from high-quality carbon steel or stainless steel, the Hex Bolt ANSI B18.2.3 5M ensures excellent tensile strength, making it ideal for heavy-duty applications. The robust material composition allows it to withstand extreme forces and stresses.ANSI B18.2.3 Standard Compliance
The Hex Bolt ANSI B18.2.3 5M is crafted to meet or exceed the specifications outlined by ANSI, ensuring uniformity, high performance, and durability across all production batches.Corrosion Resistance
Available in various finishes, including zinc plating and black oxide coating, the Hex Bolt ANSI B18.2.3 5M offers enhanced protection against corrosion, making it perfect for outdoor and industrial environments.Versatile Applications
This hex bolt can be used in a wide range of industries, including construction, automotive, machinery, and infrastructure. Its high torque capability makes it suitable for structural, mechanical, and electrical systems that require secure and long-lasting fastening solutions.
Applications of Hex Bolt ANSI B18.2.3 5M
The Hex Bolt ANSI B18.2.3 5M is utilized in various industries for applications that demand secure fastening. Common uses include:
🏗 Construction Projects – Securing structural steel components, beams, and frames
🚗 Automotive Manufacturing – Assembling engine components, chassis, and suspension systems
🏭 Machinery Manufacturing – Securing machinery parts, engines, and equipment in factories
⚙️ Heavy Equipment – Fastening components in heavy machinery like cranes, bulldozers, and excavators
🛠️ Infrastructure Projects – Securing components in bridges, tunnels, and other large infrastructure works
No matter the environment, the Hex Bolt ANSI B18.2.3 5M provides the reliability needed for critical applications.
Why Choose Hex Bolt ANSI B18.2.3 5M?
Precision Manufacturing
The Hex Bolt ANSI B18.2.3 5M is manufactured using precision machinery to meet exact specifications, ensuring a consistent product every time.Customization Options
We offer Hex Bolt ANSI B18.2.3 5M in various sizes, coatings, and materials to suit specific requirements. Custom orders are also available for bulk applications.Competitive Pricing
Offering excellent quality at a competitive price, the Hex Bolt ANSI B18.2.3 5M is a cost-effective solution for industrial and commercial projects.Global Availability
Available for delivery worldwide, the Hex Bolt ANSI B18.2.3 5M supports global construction, automotive, and industrial supply chains.
Technical Specifications
| Property | Detail |
|---|---|
| Material | Carbon Steel, Stainless Steel |
| Standard | ANSI B18.2.3 |
| Finish | Zinc Plated, Black Oxide, Plain |
| Thread Type | Coarse or Fine Thread |
| Grades Available | 5M (High Tensile) |
| Head Type | Hexagonal |
The Hex Bolt ANSI B18.2.3 5M meets or exceeds the relevant mechanical and dimensional standards to ensure quality and reliability.
Conclusion
The Hex Bolt ANSI B18.2.3 5M is an essential fastening solution for industries that require precision, strength, and durability. Designed according to ANSI standards and manufactured to perfection, this hex bolt offers superior performance in demanding applications. Whether you're working on construction, machinery, or automotive projects, the Hex Bolt ANSI B18.2.3 5M will provide the reliability and long-lasting performance needed to complete the job safely and efficiently.
Contact us today for more information or to request a quote for your Hex Bolt ANSI B18.2.3 5M needs. Our team of experts is ready to assist you in selecting the right fasteners for your specific application.



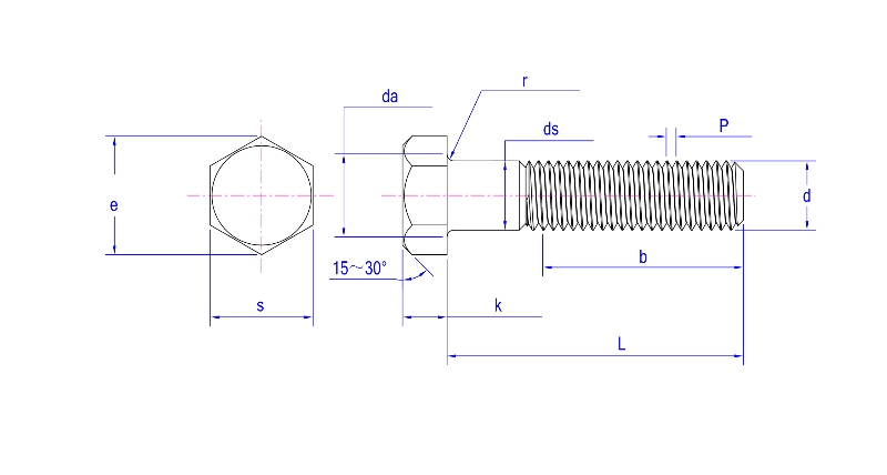
Product drawing


