DIN 931 Hexagon Head Bolts
Product: DIN 931 Hexagon Head Bolts
Property Class:4.6,4.8,5.6,5.8,8.8,10.9,12.9,
A2-70, A4-70,A4-80
Finish:Zinc Plating(Yellow Zinc, Zinc Blue, Rinse Color), Black, Phosphate & Oil, Zinc Phosphate, Hot-dip Galvanized(HDG),Dacromet, Geomet
Material:Steel,Stainless
Export country: USA, Japan, Australia, Europe and so on
Support customer customization
The head of the DIN 931 standard bolt is a hexagonal head, which makes it easy to rotate with a wrench or wrench socket, making it easy to operate during installation and removal. The threaded part is partially threaded and is suitable for situations where a bolt needs to pass through the connection and a nut is installed on the other side. The length and diameter of DIN 931 standard bolts have strict regulations to ensure their correct use in different projects. Take the high-temperature resistant bolt 4Cr10Si2Mo external hexagonal bolt DIN 931 as an example. This is a high-temperature, corrosion-resistant bolt made of 4Cr10Si2Mo material and is widely used in chemical industry, environmental protection, aerospace and other fields. The bolt has excellent durability in extreme environments and can effectively prevent material deformation and fatigue life reduction.
Pictures



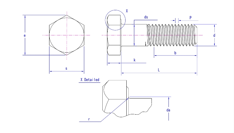
Product drawing
Product Specification
Size | M68 | M72 | M76 | M80 | M90 | M100 | M110 | M125 | M140 | M160 | |
P | 6.0 | 8.0 | |||||||||
da max | 75.0 | 79.0 | 83.0 | 87.0 | 97.0 | 107 | 117 | 132 | 147 | 167 | |
ds | max | 68.0 | 72.0 | 76.0 | 88.0 | 90.0 | 100.0 | 110.0 | 125.0 | 140.0 | 160.0 |
min | 67.26 | 71.26 | 75.26 | 79.26 | 89.13 | 99.13 | 109.13 | 124.0 | 139 | 159 | |
e min | 110.51 | 116.16 | 121.81 | 127.46 | 144.08 | 161.02 | 172.32 | 200.57 | 220.8 | 254.7 | |
k | min | 42.5 | 44.5 | 47.5 | 49.5 | 56.4 | 62.4 | 68.4 | 78.4 | 87.3 | 99.3 |
max | 43.5 | 45.5 | 48.5 | 50.5 | 57.6 | 63.6 | 69.6 | 79.6 | 88.7 | 100.7 | |
r min | 2.0 | 2.0 | 2.0 | 2.0 | 2.5 | 2.5 | 2.5 | 2.5 | 2.5 | 2.5 | |
s | max | 100 | 105 | 110 | 115 | 130 | 145 | 155 | 180 | 200 | 230 |
min | 97.8 | 102.8 | 107.8 | 112.8 | 127.5 | 142.5 | 152.5 | 177.5 | 195.4 | 225.4 | |
Support customer customization | |||||||||||
Some introduction about our company
Application
Our products are widely used in mechanical, electrical, automotive, building construction, railways, bridges, steamships, fire protection and communication system, etc.
Workshop
Certification
Through scientific management, Jinan Star Fastener Co., Ltd. has obtained the 2015 version of ISO9001 quality management system certification. In 2017, the laboratory passed the national CNAS certification. In 2018, the company passed the European CE certification.
Testing Equipment
Our company has a specialized laboratory with digital hardness testers, microscopes, universal testing machines, axial force meters, hydrogen embrittlement detection devices, magnetic particle flaw detectors, metallographic analyzers, carbon and sulfur analyzers and salt spray testing machines, etc. Experimental testing equipment is used to conduct comprehensive testing of the chemical composition of raw materials, product hardness, mechanical properties, coating thickness and corrosion resistance to ensure that all products meet standard requirements and satisfy customers.
Production equipment
Our company has more than 300 production equipment.The product production process includes: Annealing, shot blasting, cold heading, thread rolling, heat treatment, galvanizing, finished product testing, packaging, etc. are all completed in the company.
Packing
Service
1. Provide hexagonal head bolts in various specifications, lengths, materials and surface treatment requirements in compliance with DIN 931 standards.
2. Strict quality inspection to ensure that each bolt meets DIN 931 standards.
3. Professional packaging services
4. Technical support for use, installation and maintenance
5. Perfect after-sales service
FAQ
1.What is DIN 931 standard?
Answer: DIN 931 is a German industrial standard
2. What materials can you provide for DIN 931 bolts?
Answer: DIN 931 hexagon head bolts are available in a variety of materials, including carbon steel, alloy steel and stainless steel. Support customization.
3. Can you provide bolts with special surface treatment?
Answer: Yes, we can provide bolts with various surface treatments, such as galvanized, blackened, hot-dip galvanized, etc. These treatments can improve the corrosion resistance and service life of the bolts.
4. Have your products passed quality inspection?
Answer: Yes, we strictly carry out quality inspection in accordance with DIN 931 standards. The company has a nationally recognized laboratory to inspect the size, strength and surface quality of each product.










