Non-standard Metric Round Head Bolt
Product: Non-standard Metric Round Head Bolt
Property Class:4.6,4.8,5.6,5.8,8.8,10.9,12.9,
A2-70, A4-70,A4-80
Finish:Zinc Plating(Yellow Zinc, Zinc Blue, Rinse Color), Black, Phosphate & Oil, Zinc Phosphate, Hot-dip Galvanized(HDG),Dacromet, Geomet
Material:Steel
Export country: USA, Japan, Australia, Europe and so on
Support customer customization
Non-standard metric round head bolts refer to round head bolts whose specifications, dimensions or shapes do not comply with metric standards (such as ISO, DIN, etc.). Non-standard metric round head bolts can be classified according to different stress states, construction techniques or other characteristics. Non-standard metric round head bolts are often used in situations that require special connection or fixing requirements, such as steel structure engineering, automobiles, motorcycles, and ships. and other machinery and equipment, as well as industries such as electronics, instrumentation, and home appliances. In these fields, non-standard metric round head bolts are used to connect complex parts and play the role of fixing and bracketing. Compared with standard bolts, non-standard metric round head bolts have more flexible specifications and size options to adapt to different connection needs.
Pictures



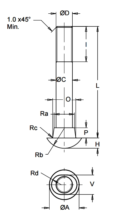
Product drawing
Product Specification
Size | M10 | M12 | M16 | M20 | M22 | M24 | |||||||
P | 1.5 | 1.75 | 2.0 | 2.5 | 2.5 | 3.0 | |||||||
A | 20 | 24 | 30 | 34 | 42 | 42 | |||||||
C | min | 8.9 | 10.72 | 14.58 | 18.22 | 20.22 | 22.22 | ||||||
max | 9.1 | 10.85 | 14.70 | 18.34 | 20.35 | 22.35 | |||||||
H | 6.0 | 8 | 10 | 12.5 | 14 | 16 | |||||||
I | 40 | 45 | 50 | 60 | 70 | 60 | 70 | 100 | 100 | 120 | 160 | 80 | |
L | 51 | 57 | 60 | 70 | 89 | 76 | 89 | 120 | 120 | 140 | 181 | 102 | |
O | 13.5 | 17 | 20 | 27 | 31 | 31 | |||||||
P | 5 | 7 | 8 | 10 | 12 | 14 | |||||||
Ra | 13.1 | 16 | 19.5 | 26 | 30 | 30 | |||||||
v | 9.5 | 12.7 | 16 | 20 | 20 | 24 | |||||||
Rb | 10.5 | 13.3 | 16.2 | 20.7 | 22.8 | 21.8 | |||||||
Rc | 0.5 | 0.5 | 1.0 | 1.0 | 1.0 | 1.0 | |||||||
Support customer customization | |||||||||||||
Some introduction about our company
Application
Our products are widely used in mechanical, electrical, automotive, building construction, railways, bridges, steamships, fire protection and communication system, etc.
Workshop
Certification
Through scientific management, Jinan Star Fastener Co., Ltd. has obtained the 2015 version of ISO9001 quality management system certification. In 2017, the laboratory passed the national CNAS certification. In 2018, the company passed the European CE certification.
Testing Equipment
Our company has a specialized laboratory with digital hardness testers, microscopes, universal testing machines, axial force meters, hydrogen embrittlement detection devices, magnetic particle flaw detectors, metallographic analyzers, carbon and sulfur analyzers and salt spray testing machines, etc. Experimental testing equipment is used to conduct comprehensive testing of the chemical composition of raw materials, product hardness, mechanical properties, coating thickness and corrosion resistance to ensure that all products meet standard requirements and satisfy customers.
Production equipment
Our company has more than 300 production equipment.The product production process includes: Annealing, shot blasting, cold heading, thread rolling, heat treatment, galvanizing, finished product testing, packaging, etc. are all completed in the company.
Packing
Service
1. Regarding the delivery time of customized products, the manufacturer will give a clear answer based on the actual situation.
2. In order to ensure the quality of non-standard metric round head bolts, manufacturers will conduct strict quality inspections on the non-standard metric round head bolts produced, including dimensional measurement, material analysis, tensile testing, etc. Corresponding quality inspection reports can be provided.
3. Provide technical support for non-standard metric round head bolts, including product selection, installation guidance, usage recommendations, etc. This helps customers understand and use the products better.
4. According to the specific needs of customers, we provide non-standard metric round head bolt customization services in different specifications, materials, surface treatments, etc. For example, for special size or shape requirements, manufacturers can produce according to drawings or samples.
FAQ
1. Can I customize non-standard metric round head bolts with specific specifications?
Yes, we can provide customized services for non-standard metric round head bolts. Please provide your specific needs, such as size, material, surface treatment requirements, etc., and we will provide a customized plan and quotation as soon as possible.
2. How do you ensure the quality of non-standard metric round head bolts?
We produce in strict accordance with relevant standards and carry out strict quality testing on our products. We can provide quality inspection reports to ensure product quality meets your requirements.
3. How is the price of non-standard metric round head bolts calculated?
The price of non-standard metric round head bolts mainly depends on product specifications, materials, quantity and other factors. We will give you a reasonable quotation based on your specific needs.
4. I need to receive the product as soon as possible, how long is your delivery time?
Answer: We will arrange production and delivery as soon as possible according to your specific needs. Generally, lead times for custom products will vary based on production complexity and order volume. We will keep in communication with you to ensure you receive the product in time.
5. What should I do if there is a problem with the non-standard metric round head bolt during use?
Answer: We provide comprehensive after-sales service. If there is a problem with the product during use, please contact us in time and we will provide you with solutions and technical support as soon as possible.










