ISO 12474 Hexagon Socket Head Cap Screws
Product: ISO 12474 Hexagon Socket Head Cap Screws with Metric Fine Thread
Property Class:4.6,4.8,5.6,5.8,8.8,10.9,12.9,
A2-70, A4-70,A4-80
Finish:Zinc Plating(Yellow Zinc, Zinc Blue, Rinse Color), Black, Phosphate & Oil, Zinc Phosphate, Hot-dip Galvanized(HDG),Dacromet, Geomet
Material:Steel
Export country: USA, Japan, Australia, Europe and so on
Support customer customization
ISO 12474 is a standard for metric fine thread hexagon socket head screws. The head of the screw is an Allen key, which allows an Allen wrench or screwdriver to be used when tightening or loosening the screw. Metric fine thread socket head screws generally have high precision, high strength and good corrosion resistance. ISO 12474 Hexagon Socket Head Cap Screws with Metric Fine Thread are suitable for various application scenarios that require precise control and fixation, such as mechanical equipment, electronic equipment, automobile manufacturing and other fields.
Pictures



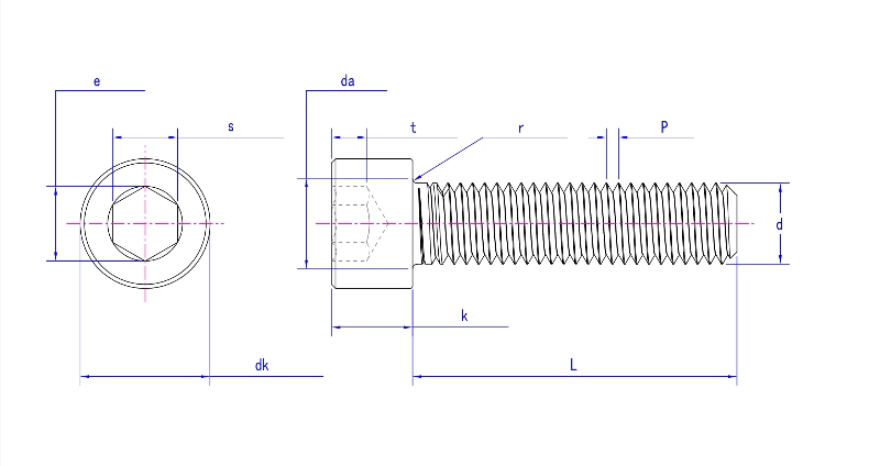
Product drawing
Product Specification
Size | M8 | M10 | M12 | M14 | M16 | M20 | M24 | M30 | M36 | |
P | 1.0 | 1|1.25 | 1.25|1.5 | 1.5 | 1.5 | 1.5|2 | 2.0 | 2.0 | 2.0 | |
da max | 9.2 | 11.2 | 13.7 | 15.7 | 17.7 | 22.4 | 26.4 | 33.4 | 39.4 | |
dk | max | 13.27 | 16.27 | 18.27 | 21.33 | 24.33 | 30.33 | 36.39 | 45.39 | 54.46 |
min | 12.73 | 15.73 | 17.73 | 20.67 | 23.67 | 29.67 | 35.61 | 44.61 | 53.54 | |
e min | 6.683 | 9.149 | 11.429 | 13.716 | 15.996 | 19.437 | 21.734 | 25.154 | 30.854 | |
k | max | 8.0 | 10.0 | 12.0 | 14 | 16 | 20 | 24 | 30 | 36 |
min | 7.64 | 9.64 | 11.57 | 13.57 | 15.57 | 19.48 | 23.48 | 29.48 | 35.38 | |
r min | 0.4 | 0.4 | 0.6 | 0.6 | 0.6 | 0.8 | 0.8 | 1.0 | 1.0 | |
s | max | 6.14 | 8.175 | 10.175 | 12.212 | 14.212 | 17.23 | 19.275 | 22.275 | 27.275 |
min | 6.02 | 8.025 | 10.025 | 12.032 | 14.032 | 17.05 | 19.065 | 22.065 | 27.065 | |
t min | 4.0 | 5.0 | 6.0 | 7.0 | 8.0 | 10 | 12 | 15.5 | 19 | |
Support customer customization | ||||||||||
Some introduction about our company
Application
Our products are widely used in mechanical, electrical, automotive, building construction, railways, bridges, steamships, fire protection and communication system, etc.
Workshop
Certification
Through scientific management, Jinan Star Fastener Co., Ltd. has obtained the 2015 version of ISO9001 quality management system certification. In 2017, the laboratory passed the national CNAS certification. In 2018, the company passed the European CE certification.
Testing Equipment
Our company has a specialized laboratory with digital hardness testers, microscopes, universal testing machines, axial force meters, hydrogen embrittlement detection devices, magnetic particle flaw detectors, metallographic analyzers, carbon and sulfur analyzers and salt spray testing machines, etc. Experimental testing equipment is used to conduct comprehensive testing of the chemical composition of raw materials, product hardness, mechanical properties, coating thickness and corrosion resistance to ensure that all products meet standard requirements and satisfy customers.
Production equipment
Our company has more than 300 production equipment.The product production process includes: Annealing, shot blasting, cold heading, thread rolling, heat treatment, galvanizing, finished product testing, packaging, etc. are all completed in the company.
Packing
Service
1. Provide customized ISO 12474 metric fine thread hexagon socket screw solutions and can propose your special needs.
2. If there is a product quality problem with ISO 12474 metric fine thread socket head screws, please contact our after-sales team and we will provide you with a reasonable solution.
3. Answer questions about the technical parameters, performance levels, application scenarios, etc. of screws.
4. Provide metric fine thread hexagon socket screws that comply with ISO 12474 standards.
FAQ
1. Do your fine thread hex socket head screws fully comply with ISO 12474 standards?
Yes, screws are produced in strict accordance with ISO 12474 standards to ensure that the quality and performance of ISO 12474 metric fine thread hexagon socket screw products comply with international standards.
2. Can I choose ISO 12474 metric fine thread socket head screws in different materials?
Of course, we provide you with a variety of screw materials to choose from. Please consult the sales department for specific material selection.
3. How to choose the appropriate pitch?
The choice of pitch depends on your specific needs and application scenario. Generally speaking, fine thread screws have a smaller pitch and are used in applications that require greater precision and tight connections. Our technicians can provide advice based on your needs.
4. How long will it take for me to get the goods after payment?
We specialize in the production of ISO 12474 metric fine thread socket head screws. The company has an automated production line. After receiving the order, we will arrange production as soon as possible to ensure that you can get the products you need in time.










