AS 1111.1 Hex Head Bolts
Product: AS 1111.1 Hex Head Bolts
Property Class:4.6,4.8,5.6,5.8,8.8,10.9,12.9,
A2-70, A4-70,A4-80
Finish:Zinc Plating(Yellow Zinc, Zinc Blue, Rinse Color), Black, Phosphate & Oil, Zinc Phosphate, Hot-dip Galvanized(HDG),Dacromet, Geomet
Material:Steel,Stainless
Export country: USA, Japan, Australia, Europe and so on
Support customer customization
AS 1111.1 is the Class C standard for metric hex head bolts. Hexagon head bolts are common fasteners widely used in various mechanical equipment. Its head is designed in a hexagonal shape and can be easily tightened or loosened using tools such as a wrench or screwdriver. The AS 1111.1 standard has detailed regulations on the thread, pitch, force cross-sectional area, minimum breaking torque and other parameters of bolts to ensure the performance and quality of bolts.
Pictures



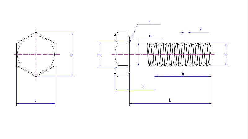
Product drawing
Product Specification
Size | M5 | M6 | M8 | M10 | M12 | M14 | M16 | M18 | M20 | M22 | M24 | M27 | M30 | M33 | M36 | M39 | M42 | M45 | M48 | M52 | M56 | M60 | M64 | |
P | 0.8 | 1.0 | 1.25 | 1.5 | 1.75 | 2.0 | 2.0 | 2.5 | 2.5 | 2.5 | 3.0 | 3.5 | 3.5 | 4.0 | 4.0 | 4.5 | 4.5 | 5.0 | 5.0 | 5.5 | 5.5 | 6.0 | ||
da max | 6.0 | 7.2 | 10.2 | 12.2 | 14.7 | 16.7 | 18.7 | 21.2 | 24.4 | 26.4 | 28.4 | 32.4 | 35.4 | 38.4 | 42.4 | 45.4 | 48.6 | 52.6 | 56.6 | 62.6 | 67 | 71.0 | 75 | |
ds | max | 5.48 | 6.48 | 8.58 | 10.58 | 12.7 | 14.7 | 16.7 | 18.7 | 20.84 | 22.84 | 24.84 | 27.84 | 30.84 | 34.0 | 37.0 | 40.0 | 43.0 | 46.0 | 49.0 | 53.2 | 57.2 | 61.2 | 65.2 |
min | 4.52 | 5.52 | 7.42 | 9.42 | 11.3 | 13.3 | 15.3 | 17.3 | 19.16 | 21.16 | 23.16 | 26.16 | 29.16 | 32.0 | 35.0 | 38.0 | 41.0 | 44.0 | 47.0 | 50.8 | 54.8 | 58.8 | 62.8 | |
e min | 8.63 | 10.89 | 14.2 | 17.59 | 19.85 | 22.78 | 26.17 | 29.56 | 32.95 | 37.29 | 39.55 | 45.2 | 50.85 | 55.37 | 60.79 | 66.44 | 71.3 | 76.95 | 82.6 | 88.25 | 93.56 | 99.21 | 104.86 | |
k | max | 3.875 | 4.375 | 5.675 | 6.85 | 7.95 | 9.25 | 10.75 | 12.4 | 13.4 | 14.9 | 15.9 | 17.9 | 19.75 | 22.05 | 23.55 | 26.05 | 27.05 | 29.05 | 31.05 | 34.25 | 36.25 | 39.25 | 41.25 |
min | 3.125 | 3.625 | 4.925 | 5.95 | 7.05 | 8.35 | 9.25 | 10.6 | 11.6 | 13.1 | 14.1 | 16.1 | 17.65 | 19.95 | 21.45 | 23.95 | 24.95 | 26.95 | 28.95 | 31.75 | 33.75 | 36.75 | 38.75 | |
r min | 0.2 | 0.25 | 0.4 | 0.4 | 0.6 | 0.6 | 0.6 | 0.6 | 0.8 | 0.8 | 0.8 | 1.0 | 1.0 | 1.0 | 1.0 | 1.0 | 1.2 | 1.2 | 1.6 | 1.6 | 2.0 | 2.0 | 2.0 | |
s | max | 8.0 | 10.0 | 13.0 | 16.0 | 18.0 | 21.0 | 24.0 | 27.0 | 30.0 | 34.0 | 36.0 | 41.0 | 46.0 | 50.0 | 55.0 | 60.0 | 65.0 | 70.0 | 75.0 | 80.0 | 85.0 | 90.0 | 95.0 |
min | 7.64 | 9.64 | 12.57 | 15.57 | 17.57 | 20.16 | 23.16 | 26.16 | 29.16 | 33.0 | 35.0 | 40.0 | 45.0 | 49.0 | 53.8 | 58.8 | 63.1 | 68.1 | 73.1 | 78.1 | 82.8 | 87.8 | 92.8 | |
Support customer customization | ||||||||||||||||||||||||
Some introduction about our company
Application
Jinan Star Company specializes in the production of fastener products. Our bolts, nuts and other products are widely used in machinery, railways, automobiles, construction, electrical, bridges, communications, firefighting and other industries.
Certification
Jinan Star Fastener Co., Ltd. has obtained the 2015 version of ISO9001 quality management system certification through the scientific management of leaders of various departments and the pursuit of high quality for bolts and other fasteners. In addition, the laboratory owned by Star Company has obtained the certification in 2017. It passed the national CNAS certification in 2018, and the company passed the European CE certification in 2018.
Testing Equipment
Jinan Star Fastener Company attaches great importance to product quality and is equipped with complete quality inspection equipment, such as tensile testing machines, torque testers,metallographic microscopes, optical projectors, salt spray test chambers, coating thickness gauges, etc., which are used to test the tensile strength and elongation of fastener products and evaluate the mechanical properties of products. These equipment ensure that every link from raw materials to finished products can be strictly controlled in quality.
Workshop
The workshop of Jinan Star Fastener Co., Ltd. is the core area of the company's production and manufacturing, with advanced production equipment. The reasonable layout of the workshop and the scientific production process ensure the efficient production and high-quality output of fastener products.
Production equipment
In order to meet the needs of different customers, the company has introduced a series of advanced production equipment, such as multi-station cold heading machines, thread rolling equipment, heat treatment equipment, shot blasting machines, sand blasting machines, electroplating lines and other surface treatment equipment, and fully automatic packaging equipment. These equipment not only improve production efficiency, but also ensure the consistency and stability of product quality.
Packing
FAQ
1. Question: What are the quality standards for AS 1111.1 hexagon head bolts?
Answer: AS 1111.1 is an Australian and New Zealand standard that specifies the quality requirements and performance parameters for Class C metric hex head bolts. Our bolts strictly adhere to this standard, ensuring that each bolt meets the specified quality requirements.
2. Question: Have your products passed quality certification?
Answer: Yes, our products have passed relevant quality certifications. We strictly control the production process to ensure stable and reliable product quality.
3.Q: What is the bolt material?
Answer: The material of AS 1111.1 hexagon head bolts is generally steel or stainless steel. The specific material depends on customer needs and application scenarios. We will provide appropriate material selection based on customer actual needs.
4.Q: What are the specifications of bolts?
Answer: The bolt specifications under the AS 1111.1 standard cover various sizes from M5 to M64. We can provide bolts of various specifications to meet the different needs of customers.
5.Q: How long is your delivery time?
A: Delivery time depends on the quantity and complexity of the order. We will develop detailed delivery plans based on customers' specific needs and complete production and shipment as soon as possible.










