QC-T 340 Hexagon Bolts with Serrated Flange for Automobile
Product: QC-T 340 Hexagon Bolts with Serrated Flange for Automobile(L>150mm)
Property Class:4.6,4.8,5.6,5.8,8.8,10.9,12.9,
A2-70, A4-70,A4-80
Finish:Zinc Plating(Yellow Zinc, Zinc Blue, Rinse Color), Black, Phosphate & Oil, Zinc Phosphate, Hot-dip Galvanized(HDG),Dacromet, Geomet
Material:Steel
Export country: USA, Japan, Australia, Europe and so on
Support customer customization
QC/T 340 is the standard for hexagonal bolts with serrated flange faces for automobiles. Suitable for use in automobile manufacturing and repair. The head and body of the bolt are hexagonal, and the flange surface has a serrated shape. This design can increase the friction between the bolt and the nut and prevent loosening.
Pictures



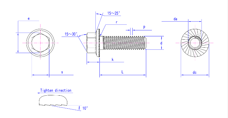
Product drawing
Product Specification
Size | M6 | M8 | M10 | M12 | M14 | M16 | M18 | M20 | |
P | 1 | 1|1.25 | 1|1.25|1.5 | 1.25|1.5|1.75 | 1.5|2 | 1.5|2 | 1.5|2.5 | 1.5|2|2.5 | |
da max | 7.4 | 10 | 12.6 | 16.2 | 17.7 | 20.7 | 22.7 | 24.7 | |
dc max | 13.6 | 17 | 20.8 | 24.7 | 28.6 | 32.8 | 36.8 | 40.9 | |
e min | 8.56 | 10.8 | 14.08 | 16.32 | 19.68 | 22.94 | 26.5 | 29.8 | |
k max | 6.8 | 8.5 | 9.7 | 11.9 | 12.9 | 15.1 | 16.6 | 18.2 | |
r | 3.4 | 4.3 | 4.3 | 6.4 | 6.4 | 6.4 | 8 | 8 | |
s | max | 8 | 10 | 13 | 15 | 18 | 21 | 24 | 27 |
min | 7.64 | 9.64 | 12.57 | 14.57 | 17.57 | 20.16 | 23.16 | 26.16 | |
Support customer customization | |||||||||
Some introduction about our company
Application
Our products are widely used in automotive, building construction, railways, bridges, steamships, fire protection and communication system, etc.
Workshop
Certification
Through scientific management, Jinan Star Fastener Co., Ltd. has obtained the 2015 version of ISO9001 quality management system certification. The laboratory passed the national CNAS certification. The company passed the European CE certification.
Testing Equipment
Our company has a specialized laboratory with digital hardness testers, microscopes, universal testing machines, axial force meters, hydrogen embrittlement detection devices, magnetic particle flaw detectors, metallographic analyzers, carbon and sulfur analyzers, etc. Experimental testing equipment is used to conduct comprehensive testing of the chemical composition of raw materials, mechanical properties, coating thickness and corrosion resistance to ensure that all products meet standard requirements and satisfy customers.
Production equipment
Our company has more than 300 production equipment.The product production process includes: Annealing, shot blasting, cold heading, thread rolling, heat treatment, galvanizing, finished product testing, etc. are all completed in the company.
Packing

1. Customized production: Provide customized bolt size, material, surface treatment and other services according to the customer's specific needs and vehicle model.
2. Quality inspection and certification: Strict quality inspection is carried out on the produced QC-T 340 serrated flange face hexagonal bolts for automobiles to ensure that they meet the QC/T 340 standard and the specific requirements of customers.
3. Quick response and delivery: Provide quick response to customer needs and delivery services for urgent orders.
FAQ
1. What is the material and performance of your QC-T 340 serrated flange face hexagonal bolts for automobiles?
The professional technical department responds to customers' questions about bolt material, strength, corrosion resistance and other performance aspects. Your consultation is welcome. We will respond promptly and provide relevant technical data and test reports.
2. How to install and use QC-T 340 serrated flange face hexagonal bolts for automobiles?
Bolts are very simple to use. If you need us to provide detailed installation instructions and usage precautions to help customers install and use bolts correctly and avoid problems caused by improper installation.
3. Can you give me a price discount?
We will definitely provide reasonable quotations and you will enjoy flexible preferential policies.









