IFI 536 Hex Head Flange Bolts
Product: IFI 536 Hex Head Flange Bolts
Property Class:4.6,4.8,5.6,5.8,8.8,10.9,12.9,A2-70, A4-70,A4-80
Finish:Zinc Plating(Yellow Zinc, Zinc Blue, Rinse Color), Black, Phosphate & Oil, Zinc Phosphate, Hot-dip Galvanized(HDG),Dacromet, Geomet
Material:Steel
Export country: USA, Japan, Australia, Europe and so on
Support customer customization
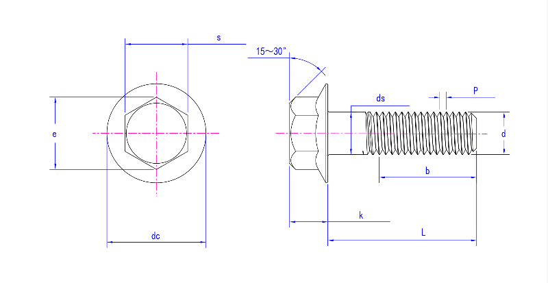
IFI 536 hexagonal flange bolts follow specific standards and their specifications cover a variety of sizes, such as M12×100 (P1.75). These specifications ensure that the bolts can provide reliable connections in a variety of applications. The head of the bolt is designed to be hexagonal, which is convenient for tightening or disassembly using tools such as wrenches and screwdrivers.
Pictures
Product drawing
Product Specification
Size | M5 | M6 | M8 | M10 | M12 | M14 | M16 | |
P | 0.8 | 1 | 1.25 | 1.5 | 1.75 | 2 | 2 | |
dc max | 11.4 | 13.6 | 17 | 20.8 | 24.7 | 28.6 | 32.8 | |
ds | max | 5 | 6 | 8 | 10 | 12 | 14 | 16 |
min | 4.82 | 5.82 | 7.78 | 9.78 | 11.73 | 13.73 | 15.73 | |
e | min | 7.44 | 8.56 | 10.8 | 14.08 | 16.32 | 19.68 | 22.94 |
max | 8.08 | 9.24 | 11.55 | 15.01 | 17.32 | 20.78 | 24.25 | |
k max | 5.6 | 6.8 | 8.5 | 9.7 | 11.9 | 12.9 | 15.1 | |
s | max | 7 | 8 | 10 | 13 | 15 | 18 | 21 |
min | 6.64 | 7.64 | 9.64 | 12.57 | 14.57 | 17.57 | 20.48 | |
Support customer customization | ||||||||
Some introduction about our company
Application
Our products are widely used in mechanical, electrical, automotive, building construction, railways, bridges, steamships, fire protection and communication system, etc.
Workshop
Certification
Through scientific management, Jinan Star Fastener Co., Ltd. has obtained the 2015 version of ISO9001 quality management system certification. In 2017, the laboratory passed the national CNAS certification. In 2018, the company passed the European CE certification.
Testing Equipment
Our company has a specialized laboratory with digital hardness testers, microscopes, universal testing machines, axial force meters, hydrogen embrittlement detection devices, magnetic particle flaw detectors, metallographic analyzers, carbon and sulfur analyzers and salt spray testing machines, etc. Experimental testing equipment is used to conduct comprehensive testing of the chemical composition of raw materials, product hardness, mechanical properties, coating thickness and corrosion resistance to ensure that all products meet standard requirements and satisfy customers.
Production equipment
Our company has more than 300 production equipment.The product production process includes: Annealing, shot blasting, cold heading, thread rolling, heat treatment, galvanizing, finished product testing, packaging, etc. are all completed in the company.
Package
Service
Bolt customization: Jinan Star will customize the design, manufacture and process bolt products according to the specific needs of customers. Diversified production meets the special needs of different industries, different equipment and different processes. Customization services usually include customization in material selection, size specifications, surface treatment, strength grade and other aspects.
Spot sales: In addition to customization services, our company provides spot sales services. The factory reserves bolts of various common specifications and models so that customers can buy the required products at any time. The quality and performance of spot bolts are usually strictly tested to ensure that they meet the relevant standards and requirements.
FAQ
1.Questions about delivery time
Question: How long is your delivery time? Answer: The delivery time depends on the quantity and complexity of the products you ordered and the current order situation. Generally speaking, we will arrange production and shipment as soon as possible and complete the delivery within the time agreed by both parties. If there are special circumstances or needs, we will communicate with you in time and adjust the delivery time.
2.Questions about product prices
Question: What is the price of your products? Answer: The price of the product is determined based on factors such as the material, size, quantity and performance level of the product. We will provide reasonable quotations based on your specific needs and provide you with a variety of preferential policies and flexible payment methods.










