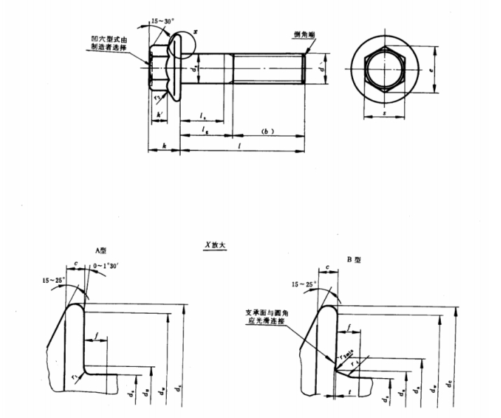
Hex Flange Head Bolt
1.GB-T 5787 Hex Head Flange Bolts
2.Source bolt manufacturer, own factory: with price advantage, eliminating the price difference of middlemen.
3.Adopt the industry's top high-quality thickened steel, high stability and long-lasting durability.
4.Support customer customization.
5.Professional sales and after-sales service, welcome to inquire at any time.
6.Delivery on time.
The Ultimate Guide to Hex Flange Head Bolt: Strength, Stability, and Versatility
When precision, strength, and stability are key to your assembly, the Hex Flange Head Bolt stands out as the fastening solution of choice. Known for its unique design and performance benefits, this bolt is widely used across automotive, construction, and industrial applications. In this guide, we’ll break down everything you need to know about the Hex Flange Head Bolt — from its design to practical applications — to help you make informed decisions for your projects.
What Is a Hex Flange Head Bolt?
A Hex Flange Head Bolt is a specialized fastener featuring a six-sided (hexagonal) head combined with a circular flange at the base. The flange acts as a built-in washer, distributing the clamping load over a wider surface area, reducing the risk of damage to the material, and minimizing the need for additional washers.
Unlike standard hex bolts, the Hex Flange Head Bolt provides increased grip and greater resistance to loosening under vibration, making it ideal for heavy-duty and high-performance environments.
Key Features of Hex Flange Head Bolt
Integrated Flange Design
The flange under the bolt head enhances load distribution, reduces surface pressure, and helps prevent pull-through or material deformation.Hexagonal Head
Enables easy tightening with wrenches or sockets, ensuring consistent torque application during installation.Serrated or Smooth Flange Options
Serrated flanges offer anti-slip protection and resistance to loosening from vibration. Smooth flanges are preferred for delicate surfaces.Thread Variants
Available in coarse and fine threading to accommodate different torque and load requirements.Material Versatility
Hex Flange Head Bolts are manufactured from carbon steel, alloy steel, and stainless steel with optional zinc plating, galvanization, or black oxide finish for corrosion resistance.
Why Choose Hex Flange Head Bolt?
The Hex Flange Head Bolt offers multiple advantages over traditional hex bolts:
Reduces the Need for Washers: The built-in flange simplifies assembly.
Improved Clamping Force: Enhances structural integrity in critical applications.
Anti-Loosening Properties: Especially effective in dynamic load or high-vibration environments.
Space Efficiency: Ideal for tight or confined assembly areas.
Applications of Hex Flange Head Bolt
The Hex Flange Head Bolt is used in a wide range of sectors where reliable fastening is critical:
Automotive Industry: Securing engine components, transmissions, suspensions, and brake systems.
Heavy Machinery: Industrial equipment, mining tools, and construction frameworks.
Home Construction: Steel structures, roofing systems, and metal framing.
Manufacturing: Assembly lines, mechanical devices, and electronics enclosures.
Whether you're building an engine mount or assembling a structural bracket, the Hex Flange Head Bolt delivers unmatched reliability.
Material Grades and Coatings
Choosing the right Hex Flange Head Bolt means selecting materials and coatings that match your environmental and mechanical needs:
Carbon Steel (Grade 5, Grade 8): High tensile strength for demanding applications.
Stainless Steel (A2, A4): Ideal for corrosion-prone or outdoor environments.
Zinc-Plated or Hot-Dip Galvanized: Provides additional rust resistance and aesthetic appeal.
Black Oxide Coated: Adds light corrosion resistance and a low-reflection finish.
Installation Best Practices
To get the best performance from a Hex Flange Head Bolt, follow these practical tips:
Clean and Align Surfaces: Ensure all surfaces are clean and flush to allow proper flange engagement.
Use Correct Torque: Refer to material specifications to prevent under- or over-tightening.
Thread Locking: In high-vibration zones, thread-locking compounds can enhance retention.
Routine Checks: Periodic torque checks are recommended for critical joints in heavy machinery.
How to Select the Right Hex Flange Head Bolt
When selecting a Hex Flange Head Bolt, consider these key factors:
Bolt Size and Length
Thread Pitch (Coarse or Fine)
Flange Type (Smooth or Serrated)
Tensile Strength Requirements
Environmental Exposure (Humidity, Chemicals, Salt)
Consult with your engineering team or supplier for application-specific recommendations.
Conclusion
The Hex Flange Head Bolt is more than just a fastener—it's a high-performance component engineered for durability, stability, and efficiency. Its unique combination of a hex head and built-in flange delivers superior load distribution, torque control, and vibration resistance, making it an essential part of high-stakes assembly systems.
Whether in automotive engineering, industrial design, or construction, the Hex Flange Head Bolt provides the trusted fastening solution that professionals rely on.



Product drawing


