DIN EN 1665 Hexagon Flange Bolts-Heavy Series
Product: DIN EN 1665 Hexagon Flange Bolts-Heavy Series
Property Class:4.6,4.8,5.6,5.8,8.8,10.9,12.9,
A2-70, A4-70,A4-80
Finish:Zinc Plating(Yellow Zinc, Zinc Blue, Rinse Color), Black, Phosphate & Oil, Zinc Phosphate, Hot-dip Galvanized(HDG),Dacromet, Geomet
Material:Steel
Export country: USA, Japan, Australia, Europe and so on
Support customer customization
DIN EN 1665 heavy-duty hexagonal flange bolt is a kind of fastener, mainly composed of hexagonal head, flange plate and screw rod. Heavy-duty hex flange bolts have some unique advantages over regular bolts. First, the flange part has a thinner part that can be slightly deformed to make the connection stronger. Secondly, because the bolt head is small and the flange has a tightening effect, it can be used safely even on softer, non-wear-resistant materials without causing punctures. Additionally, because flange bolts have smaller heads, they can be easily installed into the holes using specialized tools, similar to how hexagon socket head bolts are installed.
Pictures



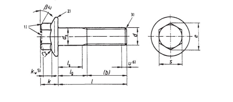
Product drawing
Product Specification
Size | M5 | M6 | M8 | M10 | M12 | M14 | M16 | M20 | |
P | 0.8 | 1.0 | 1.25 | 1.5 | 1.75 | 2.0 | 2.0 | 2.5 | |
b | l<125 | 16 | 18 | 22 | 26 | 30 | 34 | 38 | 46 |
125<l<200 | / | / | 28 | 32 | 36 | 40 | 44 | 52 | |
l>200 | / | / | / | / | / | / | 57 | 65 | |
c min | 1 | 1.1 | 1.2 | 1.5 | 1.8 | 2.1 | 2.4 | 3.0 | |
da | Type F | 5.7 | 6.8 | 9.2 | 11.2 | 13.7 | 15.7 | 17.7 | 22.4 |
Type U | 6.2 | 7.5 | 10.0 | 12.5 | 15.2 | 17.7 | 20.5 | 25.7 | |
dc max | 11.8 | 14.2 | 18.0 | 22.3 | 26.6 | 30.5 | 35.0 | 43.0 | |
ds | max | 5.0 | 6.0 | 8.0 | 10.0 | 12.0 | 14.0 | 16.0 | 20.0 |
min | 4.82 | 5.82 | 7.78 | 9.78 | 11.73 | 13.73 | 15.73 | 19.67 | |
dv max | 5.5 | 6.6 | 8.8 | 10.8 | 12.8 | 14.8 | 17.2 | 21.6 | |
dw min | 9.8 | 12.2 | 15.8 | 19.6 | 23.8 | 27.6 | 31.9 | 39.9 | |
e min | 8.71 | 10.95 | 14.26 | 17.62 | 19.86 | 23.15 | 26.51 | 33.23 | |
k max | 5.8 | 6.6 | 8.1 | 10.4 | 11.8 | 13.7 | 15.4 | 18.9 | |
kw min | 2.6 | 3.0 | 3.9 | 5.1 | 5.6 | 6.5 | 7.3 | 8.9 | |
lf max | 1.4 | 1.6 | 2.1 | 2.1 | 2.1 | 2.1 | 3.2 | 4.2 | |
r1 min | 0.2 | 0.25 | 0.4 | 0.4 | 0.6 | 0.6 | 0.6 | 0.8 | |
r2 max | 0.3 | 0.4 | 0.5 | 0.6 | 0.7 | 0.9 | 1.0 | 1.2 | |
r3 | max | 0.25 | 0.26 | 0.36 | 0.45 | 0.54 | 0.63 | 0.72 | 0.9 |
min | 0.10 | 0.11 | 0.16 | 0.20 | 0.24 | 0.28 | 0.32 | 0.4 | |
r4 | 4.0 | 4.4 | 5.7 | 5.7 | 5.7 | 5.7 | 8.8 | 11.4 | |
s | max | 8.0 | 10.0 | 13.0 | 16.0 | 18.0 | 21.0 | 24.0 | 30.0 |
min | 7.78 | 9.78 | 12.73 | 15.73 | 17.73 | 20.67 | 23.67 | 29.67 | |
v | max | 0.15 | 0.20 | 0.25 | 0.30 | 0.35 | 0.45 | 0.50 | 0.65 |
min | 0.05 | 0.05 | 0.1 | 0.15 | 0.15 | 0.2 | 0.25 | 0.30 | |
Support customer customization | |||||||||
Some introduction about our company
Application
Jinan Star Company specializes in the production of fastener products. Our bolts, nuts and other products are widely used in machinery, railways, automobiles, construction, electrical, bridges, communications, firefighting and other industries.
Certification
Jinan Star Fastener Co., Ltd. has obtained the 2015 version of ISO9001 quality management system certification through the scientific management of leaders of various departments and the pursuit of high quality for bolts and other fasteners. In addition, the laboratory owned by Star Company has obtained the certification in 2017. It passed the national CNAS certification in 2018, and the company passed the European CE certification in 2018.
Workshop
The workshop of Jinan Star Fastener Co., Ltd. is the core area of the company's production and manufacturing, with advanced production equipment. The reasonable layout of the workshop and the scientific production process ensure the efficient production and high-quality output of fastener products.
Production equipment
Our fastener products are exported to many countries such as the United States, Japan, and Canada. Bolt products have various production specifications. In order to meet the purchasing needs of different customers for bolt products, the company has introduced a series of advanced production equipment, such as multi-station Cold heading machines, thread rolling equipment, heat treatment equipment, shot blasting machines, electroplating lines and other surface treatment equipment, packaging equipment, etc. The introduction of these equipment not only improves production efficiency and ensures that customers receive their products as quickly as possible, but also ensures ensure the consistency and stability of product quality.
Testing Equipment
Jinan Star Fastener Company attaches great importance to product quality and is equipped with complete quality inspection equipment, such as tensile testing machines, torque testers,metallographic microscopes, optical projectors, salt spray test chambers, coating thickness gauges, etc., which are used to test the tensile strength and elongation of fastener products and evaluate the mechanical properties of products. These equipment ensure that every link from raw materials to finished products can be strictly controlled in quality.
Packing
Service
1. Jinan Star Company can provide heavy-duty hexagonal flange face bolts that comply with DIN EN 1665 standards, including products of various sizes, materials and performance levels.
2. If the customer needs bolts of specific size, material or performance level, Jinan Star Company can customize the production according to the customer's needs.
3. Jinan Star Company has a complete logistics system that can quickly and accurately deliver products to customers' designated locations.
FAQ
1. How to ensure product quality?
Answer: Jinan Star Company strictly produces bolts in accordance with DIN EN 1665 standards and conducts strict quality inspections on products to ensure that product quality meets the standard requirements.
2. How long is the delivery time for bolts?
Answer: Jinan Star Company will arrange production and delivery as soon as possible to ensure that customers can receive the products in time.3. How to choose suitable bolts?
Answer: Customers can choose appropriate bolts based on factors such as the nature of the material to be connected, the strength requirements of the connection, the use environment and other factors. Jinan Star’s technical staff can provide customers with selection suggestions.
4. What should I do if problems arise during the use of bolts?
Answer: If customers encounter bolt quality problems or technical problems during use, they can contact the Jinan Star Company after-sales service department at any time, and we will provide customers with solutions as soon as possible.











