DIN 938 Double-ended Bolts bm=1d
Product: DIN 938 Double-ended Bolts bm=1d
Property Class:4.6,4.8,5.6,5.8,8.8,10.9,12.9,
A2-70, A4-70,A4-80
Finish:Zinc Plating(Yellow Zinc, Zinc Blue, Rinse Color), Black, Phosphate & Oil, Zinc Phosphate, Hot-dip Galvanized(HDG),Dacromet, Geomet
Material:Steel
Export country: USA, Japan, Australia, Europe and so on
Support customer customization
DIN 938 bm=1d stud bolt is a fastener that follows the DIN 938-2012 standard. Specifically, it has the characteristics of a thick rod and bm=1d, where bm represents a certain size parameter of the bolt, and 1d usually means that this parameter is equal to the thread diameter (d) of the bolt. This kind of stud bolt has threads on both ends and can be screwed into two parts with through holes to fasten the two parts together. Due to its double-headed design, it is particularly suitable for situations where two non-detachable parts need to be connected or where two-way tension is required.
Pictures



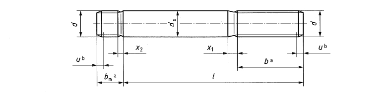
Product drawing
Product Specification
Size | M3 | M4 | M5 | M6 | M7 | M8 | M10 | M12 | M14 | M16 | M18 | M20 | M22 | M24 | M27 | M30 | M33 | M36 | M39 | M42 | M45 | M48 | M52 | |
bm | 3.0 | 4.0 | 5.0 | 6.0 | 7.0 | 8.0 | 10.0 | 12.0 | 14.0 | 16.0 | 18.0 | 20.0 | 22.0 | 24.0 | 25.0 | 30.0 | 32.0 | 35.0 | 38.0 | 42.0 | 45.0 | 48.0 | 52.0 | |
b | a | 12 | 14 | 16 | 18 | 20 | 22 | 26 | 30 | 34 | 38 | 42 | 46 | 50 | 54 | 60 | 66 | 72 | 78 | 84 | 90 | 96 | 102 | 110 |
b | 18 | 20 | 22 | 24 | 26 | 28 | 32 | 36 | 40 | 44 | 48 | 52 | 56 | 60 | 66 | 72 | 78 | 84 | 90 | 96 | 102 | 108 | 116 | |
c | / | / | / | / | / | / | 45 | 49 | 53 | 57 | 61 | 65 | 69 | 73 | 79 | 85 | 91 | 97 | 103 | 109 | 115 | 121 | 129 | |
ds | max | 3.0 | 4.0 | 5.0 | 6.0 | 7.0 | 8.0 | 10.0 | 12.0 | 14.0 | 16.0 | 18.0 | 20.0 | 22.0 | 24.0 | 27.0 | 30.0 | 33.0 | 36.0 | 39.0 | 42.0 | 45.0 | 48.0 | 52.0 |
min | 2.86 | 3.82 | 4.82 | 5.82 | 6.78 | 7.78 | 9.78 | 11.73 | 13.73 | 15.73 | 17.73 | 19.67 | 21.67 | 23.67 | 26.67 | 29.67 | 32.61 | 35.61 | 39.61 | 41.61 | 44.61 | 47.61 | 51.54 | |
x1(d) | 1.25 | 1.75 | 2.0 | 2.5 | 2.5 | 3.2 | 3.8 | 4.3 | 5.0 | 5.0 | 6.3 | 6.3 | 6.3 | 7.5 | 7.5 | 9.0 | 9.0 | 10.0 | 10.0 | 11.0 | 11.0 | 12.5 | 12.5 | |
x2(d) | 0.7 | 0.7 | 0.9 | 1.0 | 1.25 | 1.6 | 1.9 | 2.2 | 2.5 | 3.2 | 3.2 | 3.2 | 3.8 | 3.8 | 4.5 | 4.5 | 5.0 | 5.0 | 5.5 | 5.5 | 6.3 | 6.3 | ||
Some introduction about our company
Application
Our products are widely used in mechanical, electrical, automotive, building construction, railways, bridges, steamships, fire protection and communication system, etc.
Workshop
Certification
Through scientific management, Jinan Star Fastener Co., Ltd. has obtained the 2015 version of ISO9001 quality management system certification. In 2017, the laboratory passed the national CNAS certification. In 2018, the company passed the European CE certification.
Testing Equipment
Our company has a specialized laboratory with digital hardness testers, microscopes, universal testing machines, axial force meters, hydrogen embrittlement detection devices, magnetic particle flaw detectors, metallographic analyzers, carbon and sulfur analyzers and salt spray testing machines, etc. Experimental testing equipment is used to conduct comprehensive testing of the chemical composition of raw materials, product hardness, mechanical properties, coating thickness and corrosion resistance to ensure that all products meet standard requirements and satisfy customers.
Production equipment
Our company has more than 300 production equipment.The product production process includes: Annealing, shot blasting, cold heading, thread rolling, heat treatment, galvanizing, finished product testing, packaging, etc. are all completed in the company.
Packing
Service
1. If you need DIN 938 bm=1d stud bolts with different lengths, diameters, strength levels, etc., we will provide you with customized production.
2. Answer customers’ questions about the technical parameters, application areas, usage methods, etc. of DIN 938 bm=1d stud bolts.
3. Control the quality production process to ensure that products comply with DIN 938-2012 standards and meet customer quality requirements.
4. Complete after-sales service system, such as installation guidance, use and maintenance suggestions, etc.
FAQ
1. Question: What does b1=1d in DIN 938 bm=1d mean?
Answer: b1 represents a certain size parameter of the bolt, and 1d represents that this parameter is equal to the thread diameter (d) of the bolt. This design gives the bolts a stronger load-bearing capacity and a more stable connection effect.
2. Question: In what situations are DIN 938 bm=1d stud bolts suitable?
Answer: This bolt is suitable for occasions where two non-detachable parts need to be connected or where two-way tension is required, such as bridges, buildings, mechanical equipment, etc.
3. Question: How to ensure product quality and performance?
Answer: We adopt strict quality control processes, from raw material procurement, production process to finished product inspection, to ensure that products comply with DIN 938-2012 standards and meet customer needs.
4. Question: Can the bolts be customized according to my needs?
Answer: Of course. We provide product customization services and can produce according to your specific needs, including bolt length, diameter, strength grade, etc.










