Stainless Steel Coach Bolts
1. AS 1390 Cup Head Bolts with ISO Metric Coarse Pitch Threads
2. Source bolt manufacturer, own factory: with price advantage, eliminating the price difference of middlemen.
3. Adopt the industry's top high-quality thickened steel, high stability and long-lasting durability.
4. Support customer customization.
5. Professional sales and after-sales service, welcome to inquire at any time.
6. Delivery on time.
Stainless Steel Coach Bolts: Reliable Fastening Solutions for Tough Environments
Stainless steel coach bolts are heavy-duty fasteners that provide strong and secure connections for various applications in both industrial and construction projects. Known for their durability and corrosion resistance, stainless steel coach bolts are ideal for environments where strength, weather resistance, and long-lasting performance are essential.
Pictures
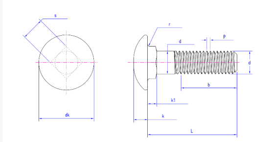
Product drawing
Key Features of Stainless Steel Coach Bolts
Corrosion Resistance
One of the primary advantages of stainless steel coach bolts is their resistance to corrosion. Made from high-quality stainless steel, these bolts can withstand exposure to moisture, chemicals, and extreme weather conditions. This makes them perfect for outdoor use in construction, landscaping, and marine environments. Their corrosion resistance ensures longevity, reducing the need for frequent replacements.Durable Construction
Stainless steel coach bolts are designed for heavy-duty applications. The high-strength steel construction ensures that they can endure significant pressure and stress without bending or breaking. Whether used for securing wooden beams, steel plates, or heavy machinery, these bolts are built to last.Square Neck Design
The square neck of a stainless steel coach bolt is a distinctive feature that prevents the bolt from rotating when tightened. This design feature makes it ideal for use in situations where the bolt will be subjected to vibration or movement. The square neck creates a tight, secure fit, offering increased stability and reliability.Versatile Threading Options
Stainless steel coach bolts typically feature coarse threads, making them easier to install into materials like wood, metal, and concrete. The robust threading ensures a secure hold, while the large, flat, and rounded heads of these bolts provide excellent load distribution, preventing damage to the surface materials.
Benefits of Using Stainless Steel Coach Bolts
Weather Resistance
One of the main reasons stainless steel coach bolts are chosen for outdoor projects is their exceptional weather resistance. Unlike traditional steel bolts, stainless steel bolts are highly resistant to rust, corrosion, and staining. This feature makes them ideal for use in marine, coastal, and wet environments where other bolts may deteriorate quickly.Long-Term Durability
With their stainless steel composition, stainless steel coach bolts are designed to last for many years, even under tough conditions. Their resistance to rust and corrosion not only extends their lifespan but also ensures that they continue to perform at a high level without the need for frequent maintenance or replacement.High Load-Bearing Capacity
Stainless steel coach bolts are engineered to handle heavy loads and stresses. This makes them perfect for securing structural elements in both residential and commercial construction, as well as in applications that require maximum strength, such as railway systems, bridges, and large machinery.Aesthetic Appeal
Stainless steel has a sleek, polished finish that not only offers superior corrosion resistance but also enhances the aesthetic appeal of your project. Whether you're using stainless steel coach bolts in visible outdoor structures or in intricate architectural designs, they will maintain their appearance over time without tarnishing or rusting.
Applications of Stainless Steel Coach Bolts
Construction Projects
In the construction industry, stainless steel coach bolts are commonly used to fasten heavy-duty components like beams, posts, and frames. Their high strength ensures a secure connection between structural elements, while their resistance to corrosion makes them a reliable choice for both indoor and outdoor applications.Outdoor Furniture and Structures
Stainless steel coach bolts are perfect for assembling outdoor furniture and garden structures, such as benches, tables, and gazebos. They provide a long-lasting and rust-resistant solution that maintains the integrity of your outdoor projects, even in harsh weather conditions.Marine and Coastal Environments
Due to their resistance to corrosion, stainless steel coach bolts are often used in marine and coastal environments for securing boat parts, docks, and piers. Their ability to withstand saltwater exposure without degrading makes them an essential component for maritime applications.Landscaping and Fencing
Whether you're installing wooden fences, garden structures, or heavy-duty landscaping elements, stainless steel coach bolts are a reliable fastening solution. Their robust design and resistance to corrosion ensure that the bolts maintain their holding strength for years, even in the most demanding outdoor environments.Heavy Machinery and Equipment
Stainless steel coach bolts are widely used in the manufacturing and assembly of heavy machinery and equipment. Their ability to handle high loads and stresses while maintaining their integrity over time makes them a critical component in industries such as manufacturing, mining, and agriculture.
Why Choose Stainless Steel Coach Bolts?
Enhanced Durability in Harsh Conditions
Stainless steel coach bolts are specifically designed to endure harsh weather conditions, making them ideal for outdoor applications. Their ability to resist corrosion, rust, and other forms of degradation ensures long-term performance, even in the toughest environments.Easy to Install and Maintain
The square neck design of stainless steel coach bolts helps prevent the bolts from rotating during installation, making them easier to tighten and secure. Additionally, because stainless steel is a low-maintenance material, these bolts require minimal upkeep, reducing long-term maintenance costs.Versatile Applications
Stainless steel coach bolts are versatile fasteners suitable for a wide range of industries and applications. Whether you're working on construction, landscaping, marine, or heavy machinery projects, these bolts provide a reliable, high-strength solution for your fastening needs.Cost-Effective Solution
While stainless steel coach bolts may have a higher upfront cost compared to standard steel bolts, their long-term durability and resistance to corrosion make them a cost-effective choice in the long run. Their extended lifespan means fewer replacements, less maintenance, and lower overall costs for your projects.
Conclusion: The Reliability and Strength of Stainless Steel Coach Bolts
In conclusion, stainless steel coach bolts are an indispensable fastening solution for a wide range of applications. From construction and heavy machinery to outdoor furniture and marine projects, these bolts provide the strength, durability, and corrosion resistance required for tough environments. The square neck design ensures secure installation, while the high-strength stainless steel material guarantees long-lasting performance, even in the harshest conditions.
For your next project, choose stainless steel coach bolts to ensure a reliable, durable, and cost-effective fastening solution that will stand the test of time.





