GB-T 14 Cup Head Square Neck Bolts
Product: GB-T 14 Cup Head Square Neck Bolts
Property Class:4.6,4.8,5.6,5.8,8.8,10.9,12.9,A2-70, A4-70,A4-80
Finish:Zinc Plating(Yellow Zinc, Zinc Blue, Rinse Color), Black, Phosphate & Oil, Zinc Phosphate, Hot-dip Galvanized(HDG),Dacromet, Geomet
Material:Steel
Export country: USA, Japan, Australia, Europe and so on
Support customer customization
GB-T 14 Cup Head Square Neck Bolts: Features, Applications, and Advantages
Introduction
The GB-T 14 Cup Head Square Neck Bolts are high-performance fasteners designed to provide reliable and secure connections in various mechanical and structural applications. Manufactured in compliance with the GB-T 14 standard, these bolts feature a unique combination of a cup-shaped head and a square neck design, which offers enhanced grip and prevents rotation during installation. GB-T 14 Cup Head Square Neck Bolts are widely used in industries requiring strong, durable, and stable connections, particularly in environments where secure and vibration-resistant fastening solutions are crucial.
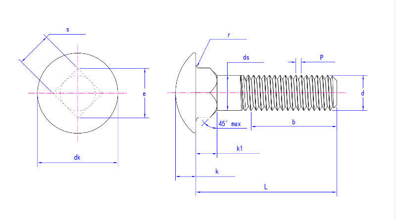
Pictures
Product drawing
Key Features of GB-T 14 Cup Head Square Neck Bolts
Cup Head Design for Enhanced Torque Resistance
The cup head of the GB-T 14 Cup Head Square Neck Bolts provides an additional layer of security during fastening. The design helps prevent slippage during installation, allowing for easier and more efficient tightening. The shape of the head ensures that the bolt can withstand higher levels of torque without stripping, making it ideal for applications that require strong fastening power.Square Neck for Anti-Rotation Performance
A distinctive feature of the GB-T 14 Cup Head Square Neck Bolts is the square neck design, which is specifically engineered to prevent the bolt from rotating during installation. The square neck locks into place within the hole of the material, reducing the risk of loosening over time and ensuring a more secure fit. This feature is particularly beneficial in applications where vibration resistance is essential.Durability and Strength
GB-T 14 Cup Head Square Neck Bolts are typically made from high-quality materials such as carbon steel or alloy steel, ensuring exceptional durability and strength. These bolts are designed to endure substantial loads and resist wear, making them suitable for use in heavy-duty applications across various industries.Corrosion Resistance
Depending on the specific requirements of the application, GB-T 14 Cup Head Square Neck Bolts can be coated with various protective finishes, such as zinc plating or galvanization, to enhance their resistance to corrosion. This ensures their long-term performance in environments exposed to moisture, chemicals, and other harsh conditions.Versatility in Size and Application
GB-T 14 Cup Head Square Neck Bolts are available in a wide range of sizes and thread configurations, allowing them to be used in diverse applications. Their versatility makes them suitable for both small-scale projects and large industrial systems, providing a dependable fastening solution for many different mechanical and structural needs.
Applications of GB-T 14 Cup Head Square Neck Bolts
Construction and Structural Engineering
GB-T 14 Cup Head Square Neck Bolts are frequently used in the construction industry for securing structural components such as beams, columns, and steel frames. The square neck design locks the bolt into place, preventing rotation under high stress and ensuring that the fasteners remain secure even in heavy-duty applications.Automotive Industry
The GB-T 14 Cup Head Square Neck Bolts are commonly used in the automotive industry for securing parts within engine assemblies, chassis components, and other critical parts that are subjected to vibration and movement. The enhanced torque resistance and anti-rotation features make these bolts ideal for automotive systems that require reliable, long-lasting connections.Heavy Machinery and Equipment
In industrial applications, GB-T 14 Cup Head Square Neck Bolts are used to fasten heavy machinery parts, where durability and vibration resistance are critical. These bolts ensure that connections remain stable and secure under intense mechanical stress, preventing potential failures or safety hazards in high-load applications.Shipbuilding and Marine Applications
GB-T 14 Cup Head Square Neck Bolts are ideal for the shipbuilding and marine industries due to their corrosion-resistant properties. These bolts are used in the construction of ships, offshore platforms, and other marine structures, where exposure to saltwater and extreme weather conditions demands durable and corrosion-resistant fasteners.Electrical and Industrial Equipment
In the manufacturing of electrical and industrial equipment, GB-T 14 Cup Head Square Neck Bolts are utilized to secure components that need to withstand both mechanical stress and vibrations. Their design ensures that they remain firmly in place, even in environments where other types of bolts may loosen over time.
Advantages of GB-T 14 Cup Head Square Neck Bolts
Improved Grip and Installation Efficiency
The cup head design of the GB-T 14 Cup Head Square Neck Bolts improves grip during tightening, allowing for higher torque resistance and reducing the likelihood of tool slippage. This makes installation faster and more efficient, especially when dealing with large volumes of fasteners.Anti-Rotation Functionality
The square neck of these bolts is specifically designed to prevent rotation, providing greater stability and security during use. This is especially beneficial in applications subjected to vibrations, where conventional bolts might loosen over time. The square neck eliminates the need for additional locking mechanisms, saving both time and cost.Enhanced Durability and Longevity
Made from high-quality materials, GB-T 14 Cup Head Square Neck Bolts offer superior strength and resistance to wear, ensuring long-term performance. The corrosion-resistant coatings further enhance the longevity of the bolts, making them ideal for both indoor and outdoor applications exposed to various environmental factors.Vibration and Load Resistance
The GB-T 14 Cup Head Square Neck Bolts are particularly effective in applications where vibration resistance is crucial. Their anti-rotation feature, combined with high-strength materials, ensures that these bolts remain securely fastened under dynamic forces, making them ideal for use in machinery, vehicles, and other equipment prone to vibration.Cost-Effective and Reliable
Offering an excellent combination of strength, durability, and reliability, GB-T 14 Cup Head Square Neck Bolts are a cost-effective solution for industries looking for high-performance fasteners. Their ability to reduce the need for additional locking devices or washers helps lower the overall cost of the assembly, making them a practical choice for a variety of projects.
The GB-T 14 Cup Head Square Neck Bolts are an essential component in a wide range of industries, offering superior performance in applications requiring strong, vibration-resistant connections. With their unique combination of a cup-shaped head and square neck, these bolts provide enhanced torque resistance, easy installation, and long-lasting durability. Whether used in construction, automotive, heavy machinery, or marine applications, the GB-T 14 Cup Head Square Neck Bolts deliver the reliability and performance necessary for secure and stable connections in even the most demanding environments.






