Carriage Bolt DIN 603
1.DIN 603 Cup Head Square Neck Bolt
2.Source bolt manufacturer, own factory: with price advantage, eliminating the price difference of middlemen.
3.Adopt the industry's top high-quality thickened steel, high stability and long-lasting durability.
4.Support customer customization.
5.Professional sales and after-sales service, welcome to inquire at any time.
6.Delivery on time.
Carriage Bolt DIN 603: Secure, Smooth-Finish Fastening for Structural Stability
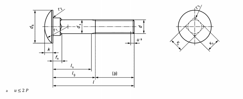
Carriage bolt DIN 603 is a high-performance fastener widely used in wood-to-wood and wood-to-metal connections, especially where a smooth, tamper-resistant finish is required. Known for its distinctive domed head and square neck under the head, carriage bolt DIN 603 ensures a flush appearance on one side while preventing rotation during tightening.
Engineered to meet German standard DIN 603, carriage bolt DIN 603 guarantees precision, strength, and reliable performance in construction, machinery, furniture, and heavy-duty outdoor applications.
What Is Carriage Bolt DIN 603?
Carriage bolt DIN 603 is a standardized metric bolt defined by the German Institute for Standardization. It features:
A rounded mushroom head for a clean, finished look.
A square neck beneath the head that grips into the material to prevent the bolt from spinning.
A partially threaded shank that allows the bolt to maintain structural integrity while holding components tightly.
Typically used with a hex or square nut on the threaded end, carriage bolt DIN 603 is available in a range of sizes, finishes, and materials including carbon steel, stainless steel, and zinc-plated options.
Key Features of Carriage Bolt DIN 603
Smooth, Aesthetic Head
The round head of the carriage bolt DIN 603 provides a neat, tamper-proof finish, ideal for visible surfaces like fences, decks, and benches.Anti-Rotation Square Neck
The square shoulder ensures that carriage bolt DIN 603 stays firmly in place when tightened, especially in wood or pre-punched metal holes.Durable Threading
The metric threading of carriage bolt DIN 603 ensures compatibility with standard DIN nuts, offering tight, secure connections.Corrosion-Resistant Options
Depending on the finish, carriage bolt DIN 603 resists rust and environmental wear, making it suitable for both indoor and outdoor use.Standardized Quality
As a DIN standard product, carriage bolt DIN 603 guarantees consistent sizing, material composition, and performance across global applications.
Common Applications of Carriage Bolt DIN 603
Wooden Structures: Perfect for joining wooden beams, planks, or posts where a flush surface is desired.
Outdoor Furniture & Fencing: Carriage bolt DIN 603 offers a tamper-resistant finish ideal for garden benches, gates, and playground equipment.
Automotive & Machinery: Used where vibration resistance and secure fastening are critical.
Metal Bracing & Framing: Ideal for fastening metal brackets to wood or thin steel components.
How to Install Carriage Bolt DIN 603
Drill a pilot hole matching the bolt’s diameter.
Tap the square neck into the material using a mallet if needed.
Secure with a washer and nut on the threaded side.
Tighten from the nut side using a wrench while the square neck holds the bolt in place.
Note: The carriage bolt DIN 603 must be installed into a material that can grip the square neck—typically wood or soft metal.
Choosing the Right Carriage Bolt DIN 603
When selecting carriage bolt DIN 603, consider:
Size: Available in diameters from M5 to M20 and lengths from 20mm to 300mm or more.
Material: Carbon steel for general use, stainless steel (A2/A4) for corrosion-prone environments.
Finish: Zinc-plated for mild weather exposure, hot-dip galvanized for high moisture resistance.
Thread Length: Choose full or partial thread based on the load-bearing requirements.
Conclusion
Carriage bolt DIN 603 is a dependable, tamper-resistant fastener that offers excellent holding power, smooth finish, and standardized quality. Whether you’re building timber structures, reinforcing outdoor installations, or assembling machinery, carriage bolt DIN 603 delivers strength, style, and peace of mind. Its unique design not only ensures secure fastening but also adds a polished appearance to any project.
Pictures



Product drawing


