Galvanized U Bolts For Boat Trailers
1.Galvanized U bolts for boat trailers
2.Own a factory. Eliminate the price difference of middlemen and enjoy price advantage.
3.Adopt top-quality thickened steel in the industry, ensuring high stability and long-lasting durability.
4.Support customer customization.
5. Provide professional sales and after-sales service. Welcome to inquire at any time.
6. Deliver on time.
Galvanized U Bolts for Boat Trailers – Superior Durability and Strength
Galvanized U Bolts for Boat Trailers are essential components for securely fastening and supporting various parts of boat trailers. Designed to withstand the harsh conditions of marine environments, these U bolts are made from high-quality steel and galvanized for enhanced corrosion resistance. Whether you’re building, repairing, or upgrading a boat trailer, Galvanized U Bolts for Boat Trailers provide the strength, durability, and reliability you need for a secure and stable connection.



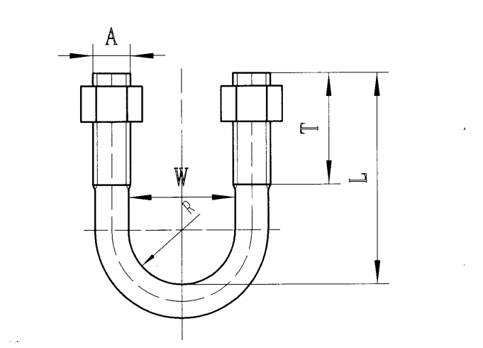
Product drawing
Key Features of Galvanized U Bolts for Boat Trailers
Corrosion-Resistant Galvanized Coating
The Galvanized U Bolts for Boat Trailers are coated with a layer of zinc, providing superior resistance to rust, corrosion, and harsh marine conditions. This galvanized coating ensures that the U bolts will last longer, even in wet, salty, or humid environments typically found in boating and trailer applications.High Strength and Load Capacity
Built with high tensile strength steel, the Galvanized U Bolts for Boat Trailers can handle heavy loads and intense pressure. These bolts are designed to support the weight of boats and provide a secure connection between the trailer and its components, ensuring safe and reliable towing.Easy Installation and Versatility
Galvanized U Bolts for Boat Trailers are easy to install and can be used with a variety of trailer frames, axles, and suspension systems. Their simple yet effective design allows for quick installation, ensuring that you can get your boat trailer back in service without unnecessary delays.Durable and Long-Lasting Performance
The galvanized finish not only protects against corrosion but also strengthens the bolt’s resistance to wear and tear. This makes Galvanized U Bolts for Boat Trailers a long-lasting solution that will continue to perform well, even under challenging weather conditions or heavy use.Cost-Effective Solution
Galvanized U Bolts for Boat Trailers offer a highly cost-effective solution for securing trailer components without sacrificing quality. Their durability and corrosion resistance make them an excellent investment for anyone who needs reliable, long-term trailer fasteners.
Technical Specifications
| Specification | Detail |
|---|---|
| Product Name | Galvanized U Bolts for Boat Trailers |
| Material | High-Tensile Steel |
| Coating | Zinc Galvanized (Corrosion-Resistant) |
| Bolt Type | U-Bolt (Shape: U) |
| Thread Size | Available in various thread sizes |
| Diameter | Customizable based on trailer specifications |
| Length | Customizable based on the distance between trailer components |
| Load Capacity | High load-bearing capacity for heavy-duty applications |
| Corrosion Resistance | Excellent resistance to rust and environmental stress |
| Installation Method | Simple installation with standard tools |
| Compliance | Meets international standards for trailer components |
Applications of Galvanized U Bolts for Boat Trailers
Boat Trailer Assembly – Perfect for securing trailer axles, suspensions, and other structural components.
Marine Environments – Ideal for use in saltwater or freshwater conditions, where corrosion resistance is critical.
Heavy-Duty Trailers – Suitable for use in heavy-duty boat trailers that need to support large and heavy boats, ensuring safe and secure towing.
Trailer Repairs and Upgrades – A reliable solution for replacing worn-out or damaged bolts in existing boat trailers, ensuring continued performance.
Benefits of Galvanized U Bolts for Boat Trailers
✅ Corrosion Resistance – The galvanized coating provides long-lasting protection against rust and corrosion, even in harsh marine environments.
✅ High Strength and Durability – Made from high-tensile steel, these U bolts are designed to handle heavy loads and provide long-term reliability.
✅ Easy Installation – Quick and easy to install with standard tools, reducing downtime during trailer assembly or repairs.
✅ Versatile Use – Suitable for a wide range of trailer applications, including boat, utility, and custom trailers.
✅ Cost-Effective – Affordable yet durable, providing great value for money without compromising on quality.
✅ Safe and Secure – Keeps your boat trailer components firmly in place, improving safety and stability during towing.
Why Choose Our Galvanized U Bolts for Boat Trailers?
When it comes to securing your boat trailer components, Galvanized U Bolts for Boat Trailers offer unmatched durability, strength, and corrosion resistance. Designed for heavy-duty applications, these U bolts ensure that your trailer remains stable and safe while towing, even under the toughest conditions. Whether you're building a new trailer, performing maintenance, or upgrading an existing one, our galvanized U bolts provide a reliable, long-lasting solution that stands up to the test of time.


